EasyManua.ls Logo

VAMP 257 - Page 152

VAMP 257
194 pages
Print Icon
To Next Page IconTo Next Page
To Next Page IconTo Next Page
To Previous Page IconTo Previous Page
To Previous Page IconTo Previous Page
Loading...
VAMP 257 Feeder and motor manager
Technical description
VAMP Ltd
110
VAMP 24h support phone : +358 (0)20 753 3264
VM257.EN002
CB
CLOSE COIL
OPEN COIL
close control
trip circuit
failure alarm
R1
-V
AUX
+V
AUX
-V
AUX
VAMP 2xx relay
Digital input
Trip relay
Delay
Alarm relay
for trip
circuit failure
relay compartment
circuit breaker compartment
+
K1
1
DI
+48 V
A snap in relay module K1:
Phoenix Contact EMG 17-REL/KSR-120/21 Au
Coil: 96 .. 127 V, 24 kohm
Contact material: 5 mm Au (AgPd60)
Width: 17.5 mm
Assembly: DIN EN 50022 mounting rail
TripCircuitSup200ClosePos
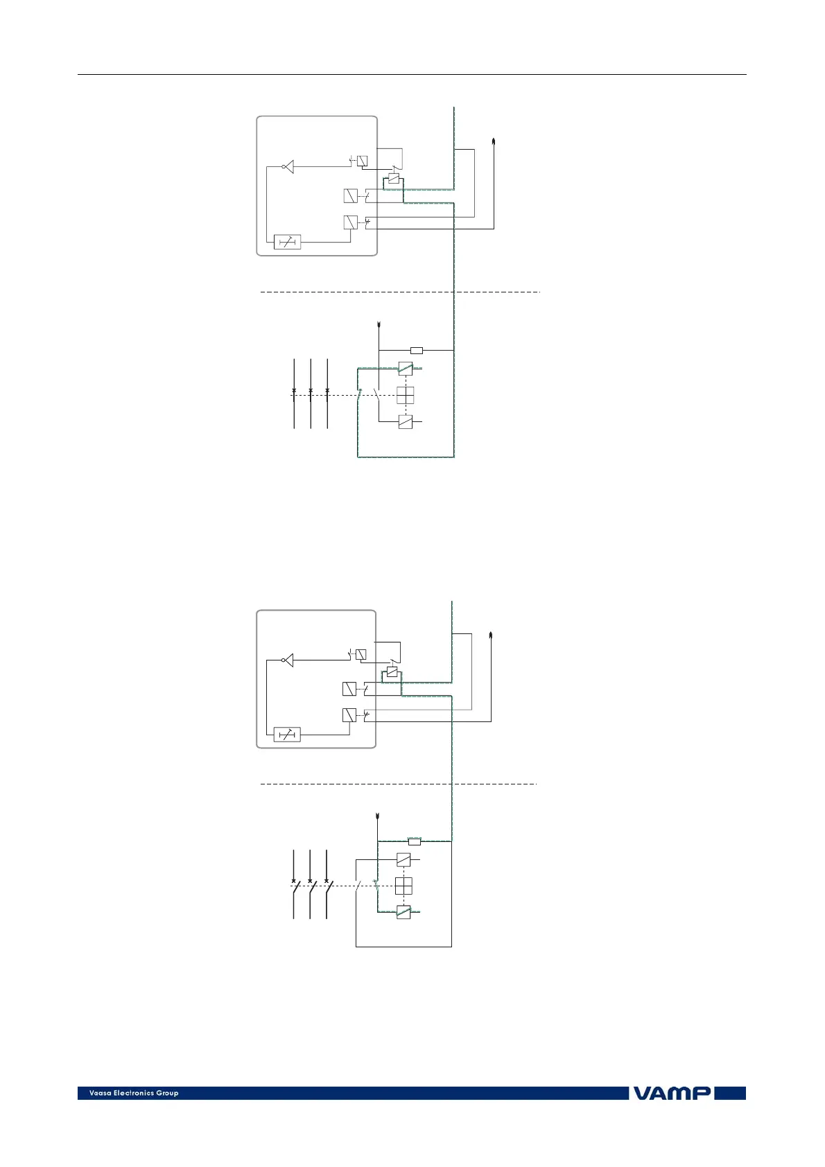
Figure 3.5.2-2. Application example, when one of digital inputs 1…6 is used
for trip circuit supervision. Trip circuit supervision when the circuit-breaker
is closed. The supervised circuitry in this CB position is double-lined. The
digital input is in active state. The value for R1 in this application is 3k3
and 2W. These can be calculated from the resistance and voltage operating
range of the coil of K1 and the tolerance of the wetting voltage.
CB
CLOSE COIL
OPEN COIL
-V
AUX
-V
AUX
Delay
Alarm relay
for trip
circuit failure
close control
trip circuit
failure alarm
R1
+V
AUX
VAMP 2xx relay
Digital input
Trip relay
relay compartment
circuit breaker compartment
+
K1
1
DI
+48 V
A snap in relay module K1:
Phoenix Contact EMG 17-REL/KSR-120/21 Au
Coil: 96 .. 127 V, 24 kohm
Contact material: 5 mm Au (AgPd60)
Width: 17.5 mm
Assembly: DIN EN 50022 mounting rail
TripCircuitSup200OpenPos
Figure 3.5.2-3. Application example, when one of digital inputs 1…6 is used
for trip circuit supervision. Trip circuit supervision when the circuit-breaker
is open. The supervised circuitry in this CB position is doubled-lined. The
value for R1 in this application is 3k3 and 2W. These can be calculated from
the resistance and voltage operating range of the coil of K1 and the
tolerance of the wetting voltage.

Table of Contents

Related product manuals