EasyManua.ls Logo

Vertiv Liebert Drycooler - Page 83

Vertiv Liebert Drycooler
102 pages
Print Icon
To Next Page IconTo Next Page
To Next Page IconTo Next Page
To Previous Page IconTo Previous Page
To Previous Page IconTo Previous Page
Loading...
REV : 9
REV DATE : 6/19
DPN000897
Page :1 /1
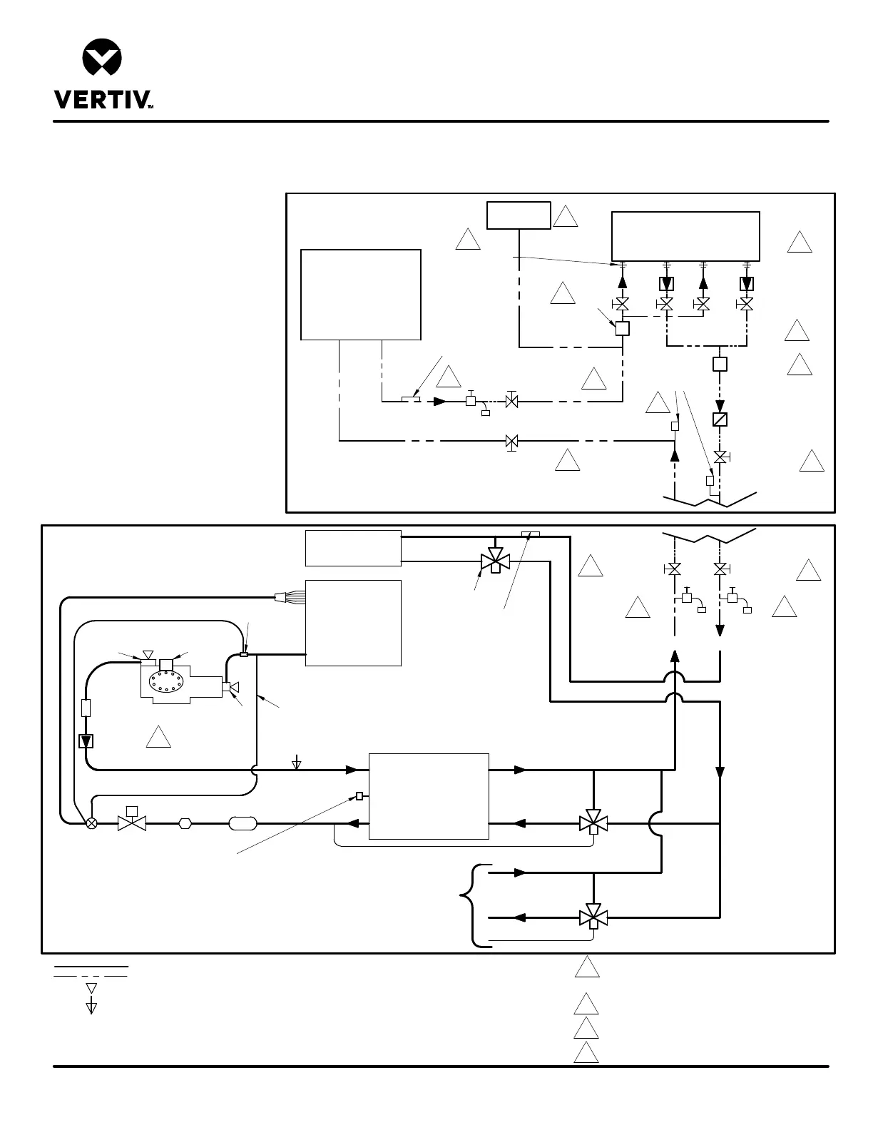
GLYCOOL 77kW - 105kW SEMI-HERMETIC COMPRESSOR MODELS
Form No.: DPN001040_REV4
PIPING SCHEMATIC
LIEBERT DS
NOTE: SCHEMATIC REPRESENTATION SHOWN. THIS SCHEMATIC DOES NOT IMPLY OR DEFINE ELEVATIONS
AND COMPONENT LOCATION, UNLESS SPECIFICALLY NOTED.
Service
Valve
Service
Valve
External
Equalizer
Sensing Bulb
Cylinder
Unloader(s)
NOTE: TWO REFRIGERATION CIRCUITS PROVIDED.
SINGLE REFRIGERATION CIRCUIT SHOWN FOR CLARITY.
FIELD PIPING
FACTORY PIPING
EVAPORATOR
COIL
Expansion
Valve
COMPRESSOR
LIQUID
SUCTION
Sight
Glass
Solenoid
Valve
Filter Drier
PARADENSE
CONDENSER
TO SECOND
REFRIGERATION
CIRCUIT
Hose
Bib
Shut-Off Valve
Hose
Bib
Shut-Off Valve
Flow-Regulating
Valve
Flow Switch Supplied
with Dual Pump
Systems
Pressure Port
Gate Valves
Check Valves
(on Dual Pump
Systems only)
GLYCOL
PUMPS
EXPANSION
TANK
Hose
Bib
ECON-O-COIL
SERVICE / SCHRADER (ACCESS) CONNECTION WITH VALVE CORE
SERVICE / SCHRADER (ACCESS) CONNECTION NO VALVE CORE
Aquastat
Sensing
Bulbs
Pressure
Port
3-Way
Regulating
Valve
Sensor
Optional Dual Pump System shown
DRYCOOLER
(Glycol)
Air Vents
(typical)
Shut-Off Valve
Shut-Off Valve
RETURN
SUPPLY
RETURN
SUPPLY
DISCHARGE
3-Way
Chilled Glycol
Valve
Thermistor
LIEBERT
HEAT REJECTION
LIEBERT 77kW-105kW UNIT
(and associated piping)
Relief valve(s) supplied
with 50 Hz EU CE units rated maximum
480 PSIG (33 Bar).
Muffler
Check Valve
1
1
1
1
1
1
1
1
1
1
1
1
2
3
1. Components are not supplied by
Liebert but are required for
proper operation and maintenance
2. Field installed at highest point in system on
return line to pumps
3. Locate at tops of all risers and any intermediate
system high points
4. This check valve is present on 77kW models only.
4
Sensor
3-Way
Regulating
Valve
Threaded
Pipe Union
Typ. (4) Plcs.
1

Table of Contents

Related product manuals