EasyManua.ls Logo

Vertiv Liebert Drycooler - Page 84

Vertiv Liebert Drycooler
102 pages
Print Icon
To Next Page IconTo Next Page
To Next Page IconTo Next Page
To Previous Page IconTo Previous Page
To Previous Page IconTo Previous Page
Loading...
REV : 7
REV DATE : 6/19
DPN000898
Page :1 /1
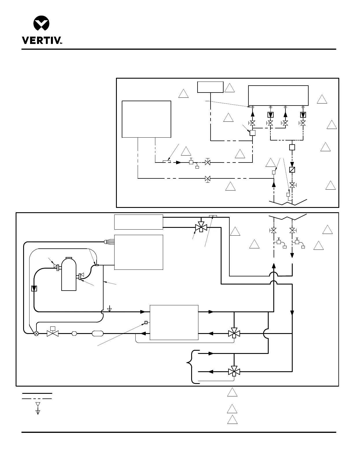
GLYCOOL™ SCROLL COMPRESSOR MODELS
Form No.: DPN001040_REV4
PIPING SCHEMATIC
LIEBERT DS
NOTE: SCHEMATIC REPRESENTATION SHOWN. THIS SCHEMATIC DOES NOT IMPLY OR DEFINE
ELEVATIONS AND COMPONENT LOCATION, UNLESS SPECIFICALLY NOTED.
Service
Valve
Components are not supplied by Liebert but are
required for proper operation and
maintenance
Field installed at highest point in system on
return line to pumps
Locate at tops of all risers and any intermediate
system high points
External
Equalizer
Sensing Bulb
NOTE: TWO REFRIGERATION CIRCUITS PROVIDED.
SINGLE REFRIGERATION CIRCUIT SHOWN FOR CLARITY.
FIELD PIPING
FACTORY PIPING
Check
Valve
EVAPORATOR
COIL
Expansion
Valve
COMPRESSOR
LIQUID
SUCTION
Sight
Glass
Solenoid
Valve
Filter Drier
PARADENSE
CONDENSER
TO SECOND
REFRIGERATION
CIRCUIT
Hose
Bib
Shut-Off Valve
Hose
Bib
Shut-Off Valve
Flow-Regulating
Valve
Flow Switch Supplied
with Dual Pump
Systems
Pressure Port
Gate Valves
Check Valves
(on Dual Pump
Systems only)
GLYCOL
PUMPS
EXPANSION
TANK
Hose
Bib
ECON-O-COIL
SERVICE / SCHRADER (ACCESS) CONNECTION WITH VALVE CORE
SERVICE / SCHRADER (ACCESS) CONNECTION NO VALVE CORE
Aquastat
Sensing
Bulbs
Pressure
Port
3-Way
Regulating
Valve
Sensor
Optional Dual Pump System shown
DRYCOOLER
(Glycol)
Air Vents
(typical)
Shut-Off Valve
Shut-Off Valve
LIEBERT
HEAT REJECTION
LIEBERT DS UNIT
(and associated piping)
RETURN
SUPPLY
RETURN
SUPPLY
DISCHARGE
3-Way
Chilled Glycol
Valve
Thermistor
Relief valve(s) supplied
with 50 Hz EU CE units rated maximum
480 PSIG (33 Bar).
3
2
1
1
1
1
1
1
1
1
1
1
1
1
1
2
3
Service
Valve
3-Way
Regulating
Valve
Sensor
Threaded
Pipe Union
Typ. (4) Plcs.
1

Table of Contents

Related product manuals