EasyManua.ls Logo

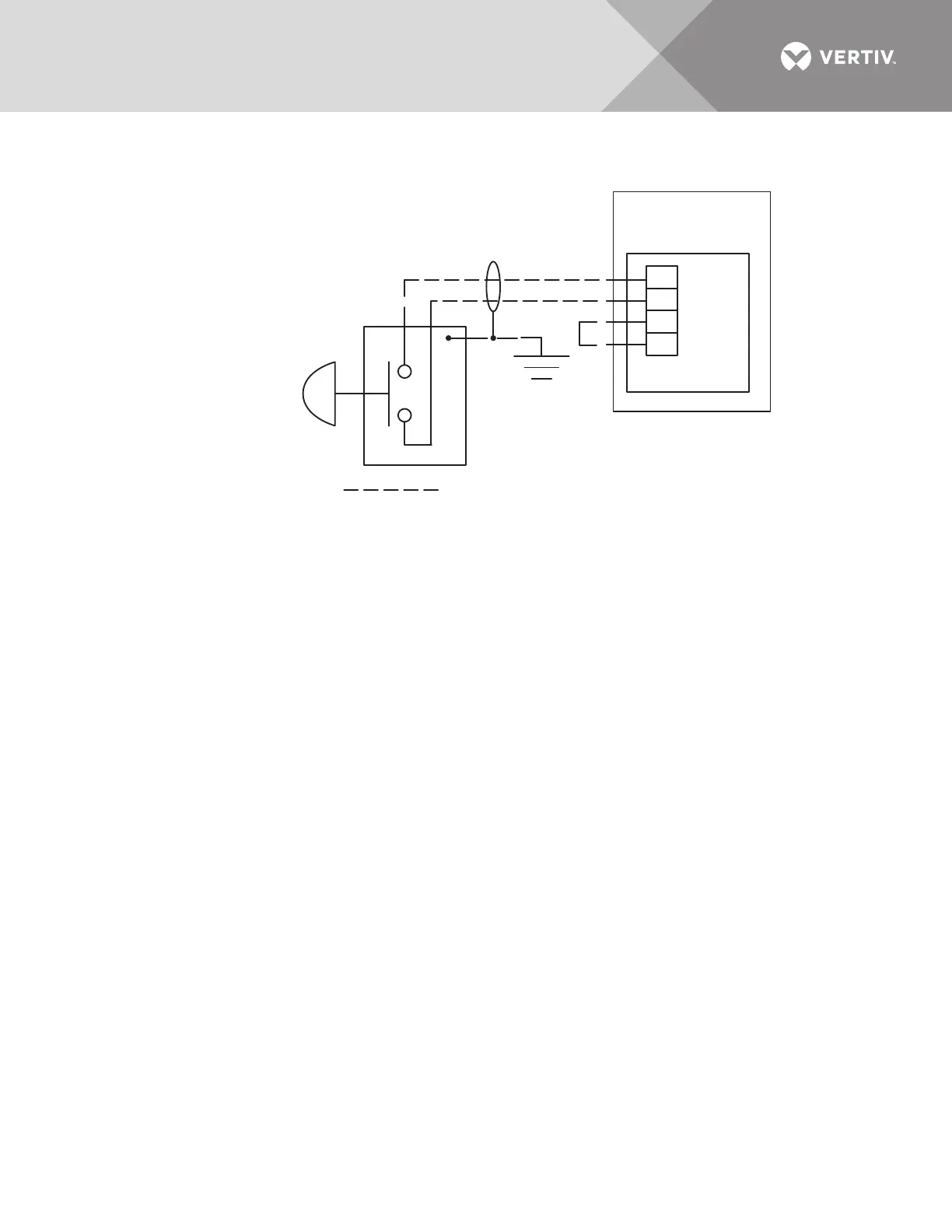
Vertiv Liebert EXM - Figure 22 Single UPS Remote Emergency Power off

Vertiv Liebert EXM
101 pages
Print Icon
To Next Page IconTo Next Page
To Next Page IconTo Next Page
To Previous Page IconTo Previous Page
To Previous Page IconTo Previous Page
Loading...
Vertiv | Liebert® EXM
50-250kVA, 480V, 60Hz User Manual | 41
Figure 22 Single UPS Remote Emergency Power Off
Field-Supplied Wiring
Remote Emergency
Power Off
(Customer-Supplied)
Single Liebert EXM Module
Liebert EXM
Bypass Module
1
2
3
4
EPO_NC
EPO_NO
+12V
+12V
X9_J2

Table of Contents

Related product manuals