EasyManua.ls Logo

Vertiv Liebert EXM - 6.9 De-Energize Liebert EXM Without Maintenance Bypass Cabinet

Vertiv Liebert EXM
101 pages
Print Icon
To Next Page IconTo Next Page
To Next Page IconTo Next Page
To Previous Page IconTo Previous Page
To Previous Page IconTo Previous Page
Loading...
Vertiv | Liebert® EXM
50-250kVA, 480V, 60Hz User Manual | 65
6.9 De-Energize Liebert® EXM™ Without Maintenance Bypass Cabinet
NOTICE
Risk of loss of power to the connected load. Can cause equipment damage.
This procedure must be performed by properly trained and qualified personnel who are knowledgeable
about the operation of this system. This procedure will remove power from the critical bus.
Take precautions by providing a backup power supply or shutting down equipment before de-energizing
the Liebert
®
EXM
.
To de-energize the Liebert
®
EXM
:
1. Log in as Operator, Administrator or Service.
2. Touch the OPERATE tab.
3. Touch the Inverter Off radio button.
4. To continue, confirm turning Off the inverter when prompted.
5. Open all battery circuit breaker(s) including the internal battery breaker (if applicable).
6. Open the UPS output circuit breaker(s).
7. Open the UPS input circuit breaker and bypass circuit breaker (dual input systems only).
8. Allow 5 minutes for all DC circuits and capacitors to fully discharge.
9. Use a digital multimeter to verify there is no AC or DC voltage present at the UPS input, output and
bypass busbars.
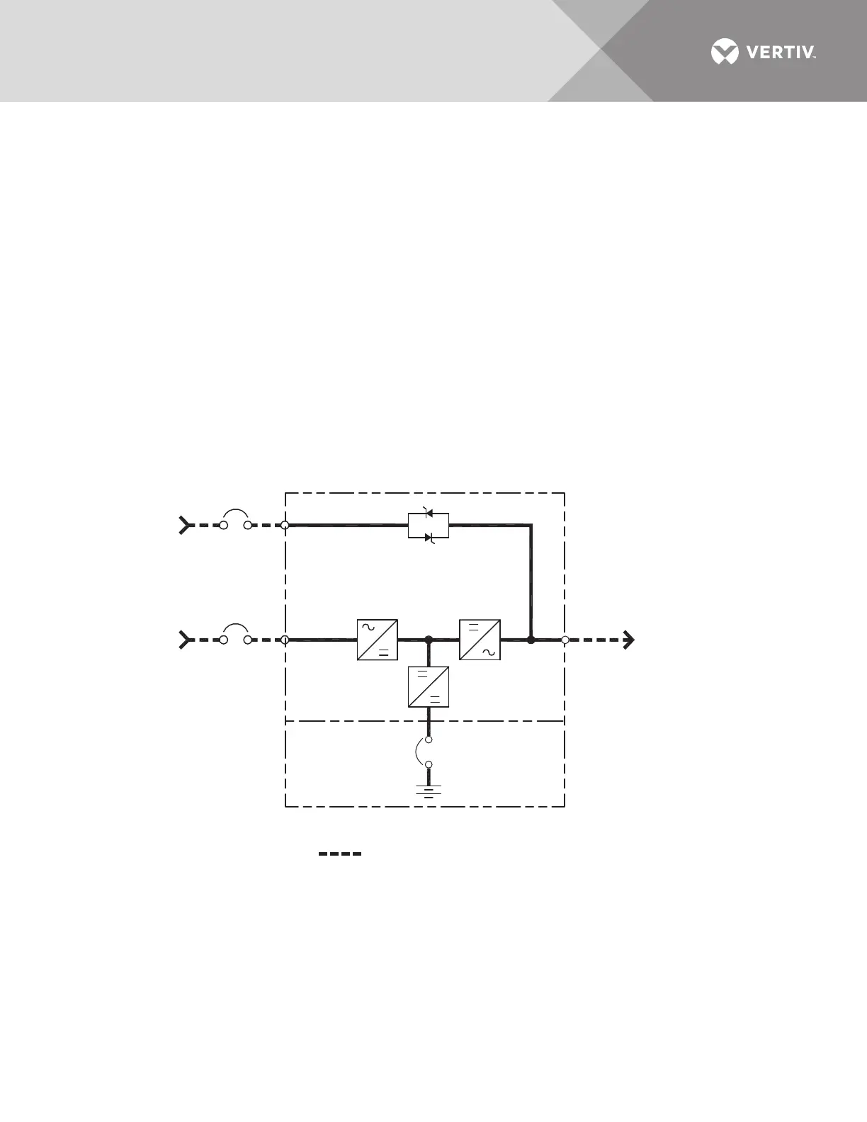
Figure 34 Typical configuration for single UPS
Notes:
1. Install in accordance with national and local electrical codes.
2. Input and bypass must share the same single source.
3. Bypass and rectifier inputs and output cables must be run in separate conduits.
4. Control wiring must be run in separate conduits.
5. Customer must supply shunt trip breakers with 480V coils to the bypass and rectifier inputs.
* Bypass
AC Input
3 Wire + GND
See Note 5
* Rectifier
AC Input
3 Wire + GND
See Note 5
AC Output
480V
3 Wire + GND
Static Bypass
Field-Supplied Wiring
BATTERY
UPS
* External Overcurrent Protection By Others
EXM11002
Rev. 0

Table of Contents

Related product manuals