EasyManua.ls Logo

Vetus M2.13 - 12 Wiring Diagrams

Vetus M2.13
148 pages
Print Icon
To Next Page IconTo Next Page
To Next Page IconTo Next Page
To Previous Page IconTo Previous Page
To Previous Page IconTo Previous Page
Loading...
n/h
V
G
3Y
p
ϑϑ
A1 A3 A4 A2 A5 A6
D+
W
B+
30
8587
86
A1 A3 A4 A2 A5 A6
p
'21' '22'
Model 21 22
Voltmeter - 1
Tachometer 1 1
-4 -1 -2 -5 -3
61 91 92 93 W
- +
(31) (15)
-1 -2
L1
L2 L3 L4 L5
-6
19/94
X2M
95W155817/1931
-1 -2 -3 -4
G1 G2 NC NC
X1
-8
-7
-5 -4
-3 -6-1 -2
X3M X4M
L6
BZ
B4 B1 B2 B5 B3B6
B4 B1 B2 B5 B3B6
R
M
M
Fuel lift
pump (ETR)
Pre-heating
(GLow plugs)
Starter
motor
Battery
Battery
main
switch
Plug 'A'
Socket 'A'
Coolant
temp.
Exhaust
temp.
AlternatorStop
solenoid (ETS)
Oil
press.
Gearbox
oil press.
Battery charging
Warning lights
Pre-
heating
Gearbox
oil press.
Transparent
Yellow/
Green
Green Brown Blue Gray
Yellow/
Green
Key switch
Voltmeter
Tachometer/
hour counter
Printed
circuit board
Engine panel model
PANEL
ENGINE
Fuse
Pre-
heating
relay
Plug 'B'
Socket 'B'
Red Yellow Orange Violet White Black
L4
L2
L1
L5
L3
L6
130
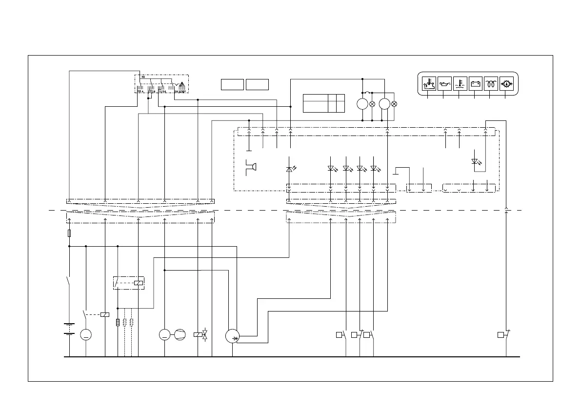
12 Wiring diagrams
Engine with panel model ‘21’, ‘22’
M2 and M3, intercooled version
VD00962

Table of Contents

Related product manuals