EasyManua.ls Logo

Vetus M2.13 - Page 137

Vetus M2.13
148 pages
Print Icon
To Next Page IconTo Next Page
To Next Page IconTo Next Page
To Previous Page IconTo Previous Page
To Previous Page IconTo Previous Page
Loading...
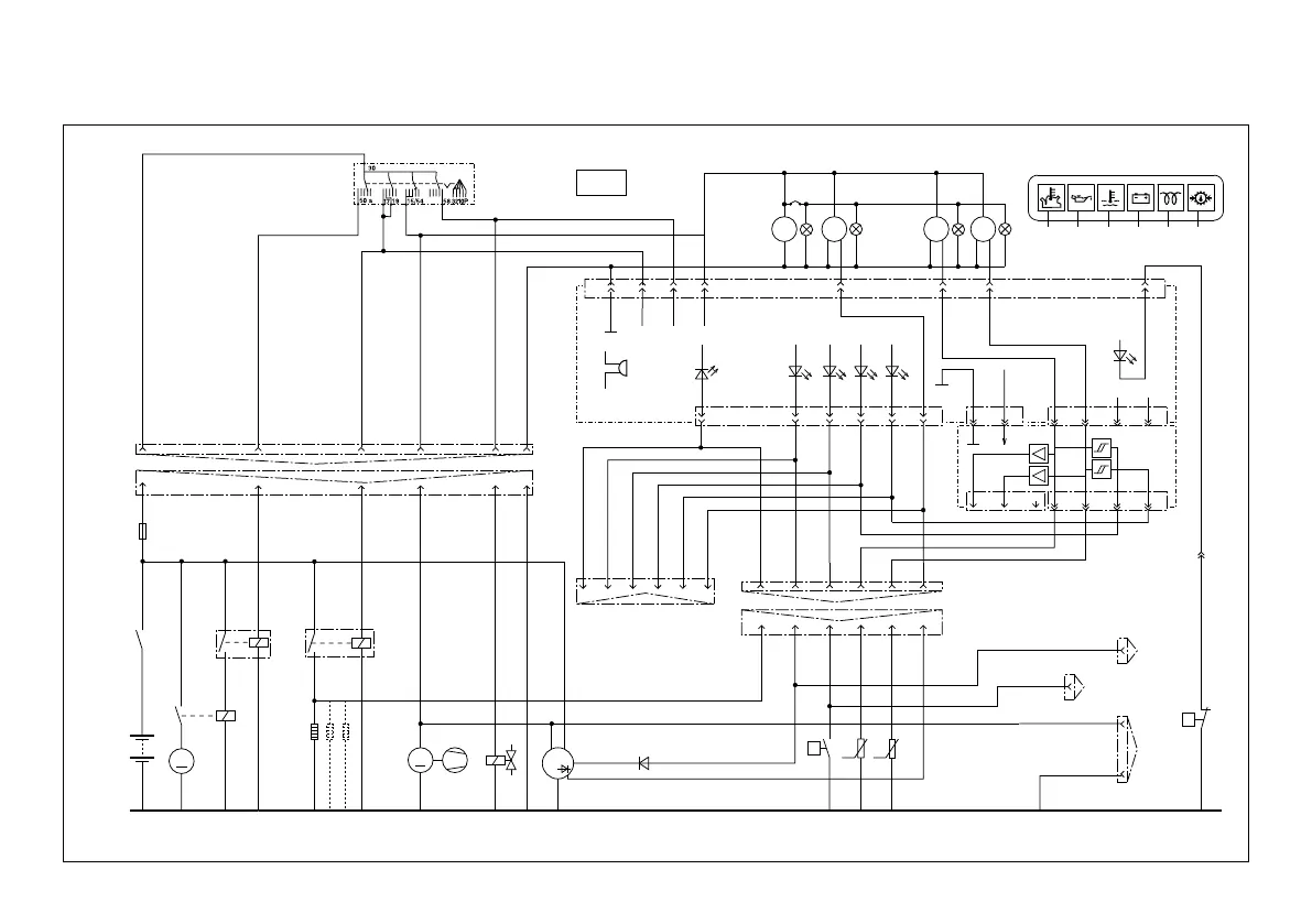
-4 -1 -2 -5 -3
61 91 92 93 W
- +
(31) (15)
-1 -2
L1
L2 L3 L4 L5
-6
19/94
X2M
95W155817/1931
-1 -2 -3 -4
G1 G2 NC NC
X1
-8
-7
-5 -4
-3 -6-1 -2
X3M X4M
L6
BZ
n/h
V
p
ϑ
G
3Y
B4 B1 B2 B5 B3B6
p ϑ
ϑ
D+
W
B+
30
8587
86
A4 A2 A5 A6
B4 B1 B2 B5 B3B6
p
+
-1 -2 -1 -2 -3 -4-3
B4 B1 B2 B5 B3B6
Interface
STM6911
R
'34'
M
A1 A3 A4 A2 A5 A6
30
8587
86
A1 A3
M
L4
L2
L1
L5
L3
L6
Fuel lift
pump (ETR)
Pre-heating
(GLow plugs)
Socket 'A'
Coolant
temp.
Exhaust
temp.
AlternatorStop
solenoid (ETS)
Oil
press.
Gearbox
oil press.
Battery charging
Transparent
Yellow/
Green
Green Brown Blue Gray
Yellow/
Green
Key switch
Voltmeter
Tachometer/
hour counter
Engine panel model
Pre-
heating
relay
Plug 'B'
Socket 'B'
Connection for
2
nd
alternator
Warning lights
Pre-
heating
Gearbox
oil press.
Printed
circuit board
Battery charging
2
nd
alternator
Black
Yellow/Green
Violet
Green
Oil pressure
gauge
Temperature
gauge
Socket 'B' To 2
nd
panel
Interface cable MPVB2
Starter
motor
Battery
Battery
main
switch
Plug 'A'
Fuse
Auxiliary
start relay
Red Yellow Orange Violet White Black
135
12 Wiring diagrams
Option, panel model ‘34’
VD00967

Table of Contents

Related product manuals