EasyManua.ls Logo

Vetus M2.13 - Page 136

Vetus M2.13
148 pages
Print Icon
To Next Page IconTo Next Page
To Next Page IconTo Next Page
To Previous Page IconTo Previous Page
To Previous Page IconTo Previous Page
Loading...
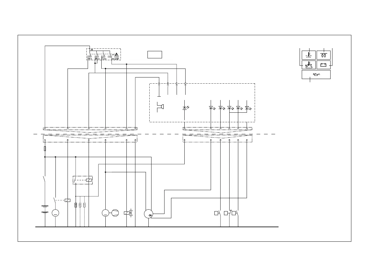
L2
L1
L5
L3
L4 & L6
G
3Y
p
ϑϑ
A1 A3 A4 A2 A5 A6
D+
W
B+
30
8587
86
A1 A3 A4 A2 A5 A6
'10'
61 91 92 93
L1
L2 L3 L4 L5
19/94
155817/1931
BZ
B4 B1 B2 B5 B3B6
B4 B1 B2 B5 B3B6
R
M
M
W
L6
Fuel lift
pump (ETR)
Pre-heating
(GLow plugs)
Starter
motor
Battery
Battery
main
switch
Plug 'A'
Socket 'A'
Coolant
temp.
Exhaust
temp.
AlternatorStop
solenoid (ETS)
Oil
press.
Battery charging
Warning lights
Pre-
heating
Transparent
Yellow/
Green
Green Brown Blue Gray
Key switch
Printed
circuit board
Red Yellow Orange Violet White Black
Engine panel model
PANEL
ENGINE
Fuse
Pre-
heating
relay
Plug 'B'
Socket 'B'
134
12 Wiring diagrams
Option, panel model ‘10’
VD00966

Table of Contents

Related product manuals