EasyManua.ls Logo

Vetus M2.13 - Page 135

Vetus M2.13
148 pages
Print Icon
To Next Page IconTo Next Page
To Next Page IconTo Next Page
To Previous Page IconTo Previous Page
To Previous Page IconTo Previous Page
Loading...
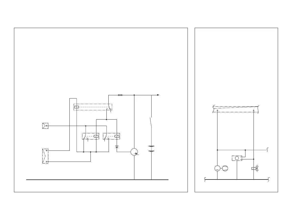
G
3Y
D+
W
B+
30
85 87
86
87a
30
85
87
86
87a
1N4002
30
8587
86
87a
Battery charging
2
nd
alternator
Black
Yellow/ Green
Violet
2
nd
Alternator
Battery
Battery
main switch
Fuse 5A
Consumers
White
Red
Yellow
Red
2
nd
Alternator
A2 A5
M
Fuel lift
pump (ETR)
Stop
solenoid (ETS)
Tilt Switch
Violet White
133
12 Wiring diagrams
Option, 2nd alternator M4
Option, Tilt switch SOLAS engines
VD00996
VD00964

Table of Contents

Related product manuals