EasyManua.ls Logo

Vetus M2.13 - Page 134

Vetus M2.13
148 pages
Print Icon
To Next Page IconTo Next Page
To Next Page IconTo Next Page
To Previous Page IconTo Previous Page
To Previous Page IconTo Previous Page
Loading...
n/h
V
p
ϑ
D+
W
B+
p
'21' '22'
Model 21 22
Voltmeter - 1
Tachometer 1 1
-4 -1 -2 -5 -3
61 91 92 93 W
- +
(31) (15)
-1 -2
L1
L2 L3 L4 L5
-6
19/94
X2M
95W155817/1931
-1 -2 -3 -4
G1 G2 NC NC
X1
-8
-7
-5 -4
-3 -6-1 -2
X3M X4M
L6
BZ
B4 B1 B2 B5 B3B6
B4 B1 B2 B5 B3B6
G
3Y
A1 A3 A4 A2 A5 A6
30
8587
8630
8587
86
A1 A3 A4 A2 A5 A6
R
M
M
L4
L2
L1
L5
L3
L6
Coolant
temp.
Oil
press.
Gearbox
oil press.
Warning lights
Pre-
heating
Gearbox
oil press.
Transparent
Yellow/
Green
Green Brown Blue Gray
Yellow/
Green
Key switch
Voltmeter
Tachometer/
hour counter
Printed
circuit board
Engine panel model
PANEL
ENGINE
Plug 'B'
Socket 'B'
Connection for
2
nd
alternator
Black
Violet
Battery charging
Battery charging
2
nd
alternator
Yellow/Green
Green
Fuel lift
pump (ETR)
Pre-heating
(GLow plugs)
Starter
motor
Battery
Battery
main
switch
Plug 'A'
Socket 'A'
AlternatorStop
solenoid (ETS)
Fuse
Pre-
heating
relay
Auxiliary
start relay
Red Yellow Orange Violet White Black
132
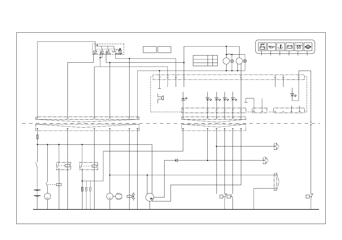
12 Wiring diagrams
Engine with panel model ‘21’, ‘22’
M4, keelcooled version
VD00965

Table of Contents

Related product manuals