EasyManua.ls Logo

Viking VESO5271 - Page 48

Viking VESO5271
49 pages
Print Icon
To Next Page IconTo Next Page
To Next Page IconTo Next Page
To Previous Page IconTo Previous Page
To Previous Page IconTo Previous Page
Loading...
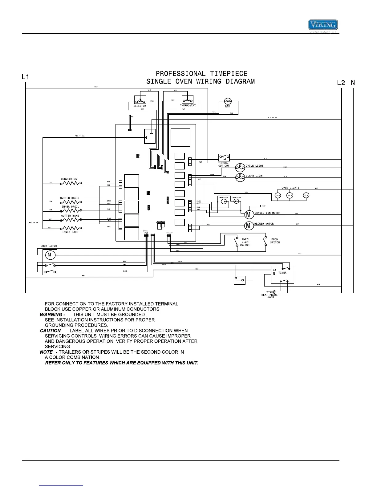
Wiring Diagrams
48 ©2013 Viking Preferred Service

Table of Contents