EasyManua.ls Logo

Viking VESO5271 - Page 49

Viking VESO5271
49 pages
Print Icon
To Previous Page IconTo Previous Page
To Previous Page IconTo Previous Page
Loading...
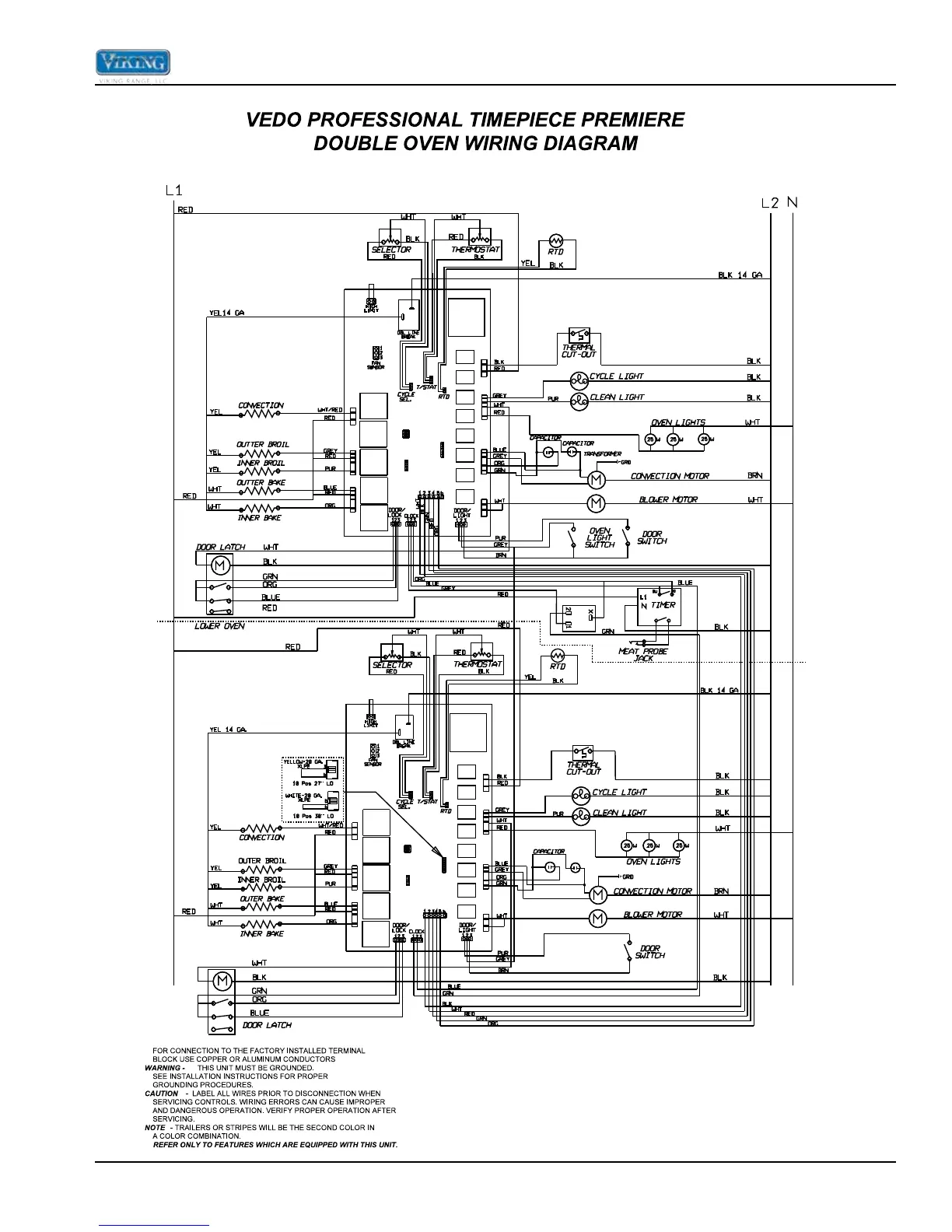
Wiring Diagrams
©2013 Viking Preferred Service 49

Table of Contents