EasyManua.ls Logo

VOLTWERK VS 3 - Conexión del Cable de Red

Default Icon
Print Icon
To Next Page IconTo Next Page
To Next Page IconTo Next Page
To Previous Page IconTo Previous Page
To Previous Page IconTo Previous Page
Loading...
30 Manual de instrucciones Voltwerk VS 3, 4, 5
5 Instalación
ESPAÑOL
DO_BA_2008_121LB_3ESP_BVo 22.2.10
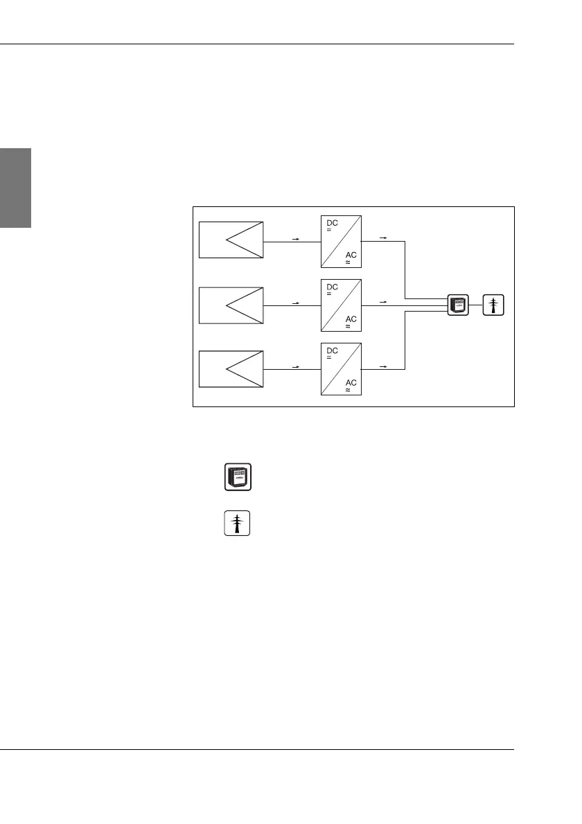
5.2 Conexión del cable de red
Cada inversor string de la gama Voltwerk VS serie dispone de
un casquillo de 3 polos AC Out (v. figura 3.1, página 16, pos.
(6)) para la conexión a la red.
Durante la instalación tenga en cuenta que sólo pueden
conectarse en una fase los inversores string que permitan las
normas del país. Los inversores string de instalaciones más
grandes deben conectarse en varias fases.
5.1: Combinación de tres inversores string
Contador de energía trifásico de la com-
pañía eléctrica
Red pública de corriente
L1
L2
L3

Table of Contents