EasyManua.ls Logo

VOLTWERK VS 3 - Σύνδεση Αγωγού Δικτύου

Default Icon
Print Icon
To Next Page IconTo Next Page
To Next Page IconTo Next Page
To Previous Page IconTo Previous Page
To Previous Page IconTo Previous Page
Loading...
32 Εγχειρίδιο χειρισμού Voltwerk VS 3, 4, 5
5 Εγκατάσταση
ΕΛΛΗΝΙΚΑ
DO_BA_2008_121LB_3GRE_AVo 22.2.10
κλειστές. Διαφορετικά ο μετατροπέας δεν πληροί τις
απαιτήσεις του είδους προστασίας IP 65. Φυλάξτε τα
πώματα προστασίας.
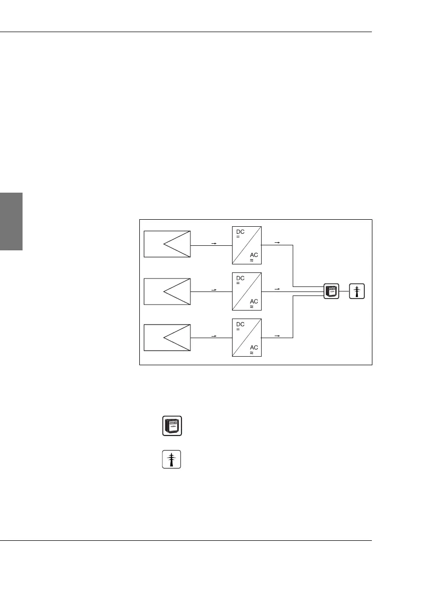
5.2 Σύνδεση αγωγού δικτύου
Ο κάθε μετατροπέας Σειρά Voltwerk VS διαθέτει μία
υποδοχή 3 πλων AC Οut (βλ. Εικνα 3.1, Σελίδα 16, Θέση
(6)) για τη σύνδεση στο δίκτυο.
Κατά την εγκατάσταση λαμβάνετε υπψη, τι σε μία
φάση μπορούν να συνδεθούν μνο τσοι μετατροπείς
στοιχειοσειρών, σους επιτρέπει το ισχύον στη χώρα
σχετικ πρτυπο. Οι μετατροπείς στοιχειοσειρών
μεγαλύτερων εγκαταστάσεων πρέπει να συνδέονται σε
περισστερες φάσεις.
5.1: Συνδυασμς απ τρεις μετατροπείς
στοιχειοσειρών
Τριφασικς μετρητής ενέργειας της
επιχείρησης ηλεκτρισμού
Δημσιο ηλεκτρικ δίκτυο
L1
L2
L3

Table of Contents