EasyManua.ls Logo

VOLTWERK VS 3 - Collegamento del Conduttore DI Rete

Default Icon
Print Icon
To Next Page IconTo Next Page
To Next Page IconTo Next Page
To Previous Page IconTo Previous Page
To Previous Page IconTo Previous Page
Loading...
30 Manuale di servizio Voltwerk VS 3, 4, 5
5 Installazione
ITALIANO
DO_BA_2008_121LB_3ITA_BVo 22.2.10
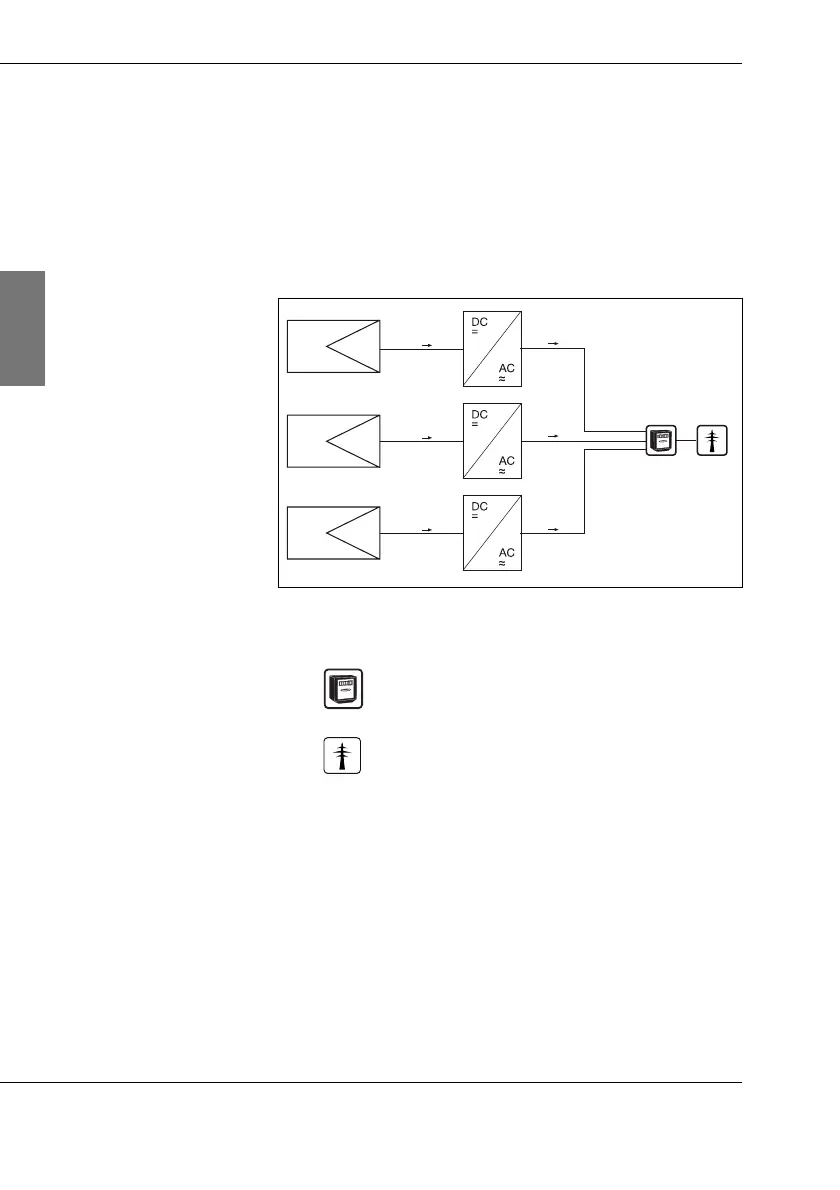
5.2 Collegamento del conduttore di rete
Ogni inverter di stringa della Serie Voltwerk VS dispone di
una presa a 3 poli CA Out (v. figura 3.1, pagina 16, pos. (6))
per il collegamento alla rete.
Nell'installazione tenere conto che ad una fase può essere
collegato un numero di inverter conforme a quanto permesso
dalla norma nazionale. Gli inverter di stringa di grandi
impianti vanno collegati distribuendoli su più fasi.
5.1: Combinazione di tre inverter di stringa
Contatore di energia trifase del gestore
della rete elettrica
Rete elettrica pubblica
L1
L2
L3

Table of Contents