EasyManua.ls Logo

WEG CFW100 - Page 68

WEG CFW100
159 pages
Print Icon
To Next Page IconTo Next Page
To Next Page IconTo Next Page
To Previous Page IconTo Previous Page
To Previous Page IconTo Previous Page
Loading...
8
MOTOR CONTROL
U
d
m
ixr
+
+
P138
P137
P202 = 0 (V/f)
P142
P143
P136
P146 P145
f
f
P142
P136
P145
P151
P151
P134
P133
f*
P100-P104
Zero
P135
f
slip
+
+
3ϕ
I
o
I
o
I
sh
I
v
,I
w
I
sh
PWM
I
a
m
f
o
P002
m P007
I
o
P003
U
d
P004
modulation
Space Vector
PWM
DC Link Regulation
P202 = 0 (control V/f)
or
P202 = 1 (quadratic V/f)
Curve V/f
P202 = 1
(Quadratic V/f)
MI
Power Supply
Angle,
sextant
Direction of rotation
Calculation of I
o
Calculation of I
a
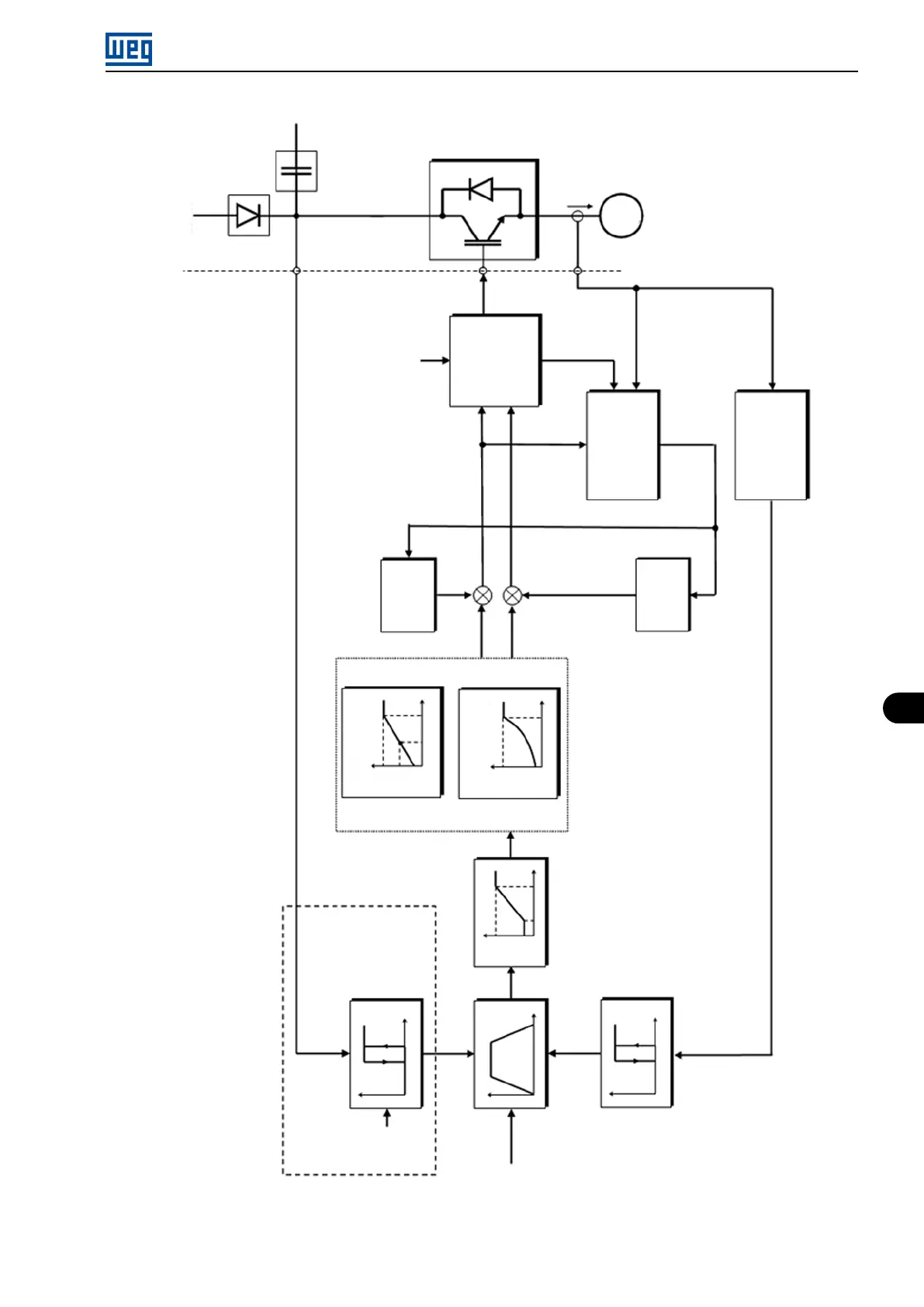
Figure 8.12: Block diagram of V/f scale control
Micro Mini Drives | 8-19

Table of Contents

Other manuals for WEG CFW100

Related product manuals