EasyManua.ls Logo

Yamato SM511 - Main Unit Overview 3

Yamato SM511
45 pages
Print Icon
To Next Page IconTo Next Page
To Next Page IconTo Next Page
To Previous Page IconTo Previous Page
To Previous Page IconTo Previous Page
Loading...
16
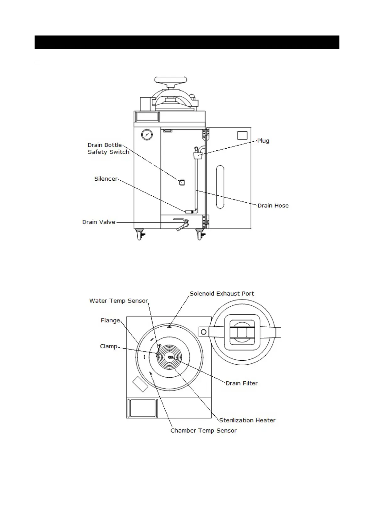
3. COMPONENT NAMES AND FUNCTIONS
Main Unit Overview 3

Related product manuals