EasyManua.ls Logo

Yamato SM511 - Specifications; Specifications: SM201;301;501 Models

Yamato SM511
45 pages
Print Icon
To Next Page IconTo Next Page
To Next Page IconTo Next Page
To Previous Page IconTo Previous Page
To Previous Page IconTo Previous Page
Loading...
38
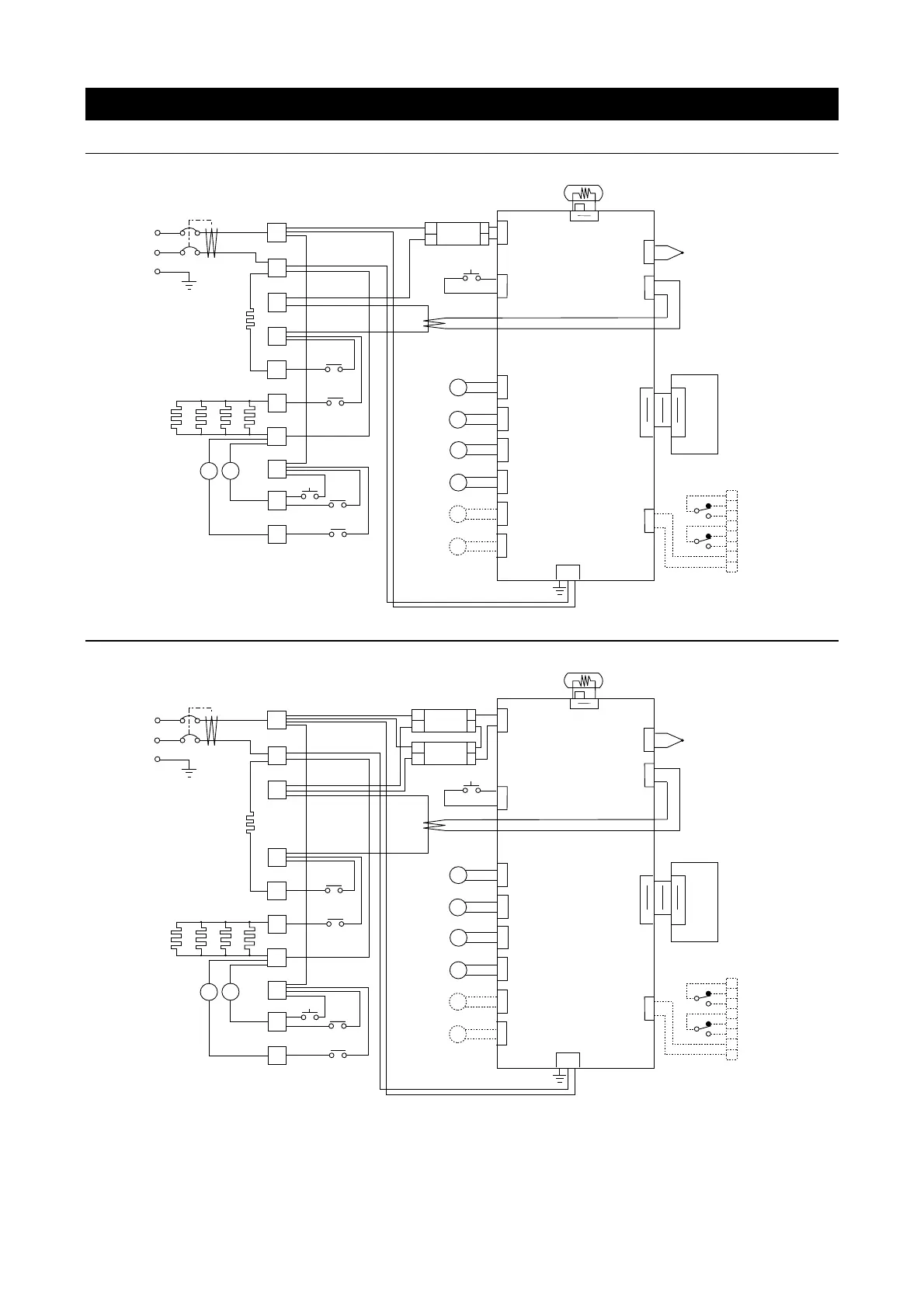
11. WIRING DIAGRAM
SM201
1
30
30
1
1
1
3
3
3
3
TB2
TB1
PLANAR
J1
J10
J4
J8
J9
J20
J20
PI O
TH
X3
1
3
T1
T2
CT1
H1
MCB
J1
SSR
A
C115V
Pt
1
2
3
4
T
5
6
7
8
9
10
MV1
X4
X1
X3
SW1
X2
3
2
J12
1
1
1
1
1
3
J15
X1
X4
MV2
X2
1
3
J25
SW2
13
3
X6
3
J16
1
1
3
J17
X7
J32
1
3
1
2
3
4
5
6
8
7
TI ME-UP OUTPU
T
ALARM OUTPUT
TEMP. OUTPUT
+
-
H2 H3 H4 H5
X6
X7
SM301/501
1
30
30
1
1
1
3
3
3
3
TB2
TB1
PLANAR
J1
J10
J4
J8
J9
J20
J20
PI O
TH
X3
CT1
H1
MCB
1
3
T1
T2
J1
SSR-01A
A
C115V
Pt
1
2
3
4
T
5
6
7
8
9
10
MV1
X4
X1
X3
SW1
X2
3
2
J12
1
1
1
1
1
3
J15
X1
X4
MV2
X2
1
3
J25
SW2
13
3
X6
3
J16
1
1
3
J17
X7
J32
1
3
1
2
3
4
5
6
8
7
TI ME-UP OUTPU
T
ALARM OUTPUT
TEMP. OUTPUT
+
-
H2 H3 H4 H5
X6
X7
1
3
T1
T2
J1
SSR-01B
Dashed line indicates optional items

Related product manuals