EasyManua.ls Logo

A&D TM-2441 - Page 77

A&D TM-2441
116 pages
Print Icon
To Next Page IconTo Next Page
To Next Page IconTo Next Page
To Previous Page IconTo Previous Page
To Previous Page IconTo Previous Page
Loading...
59
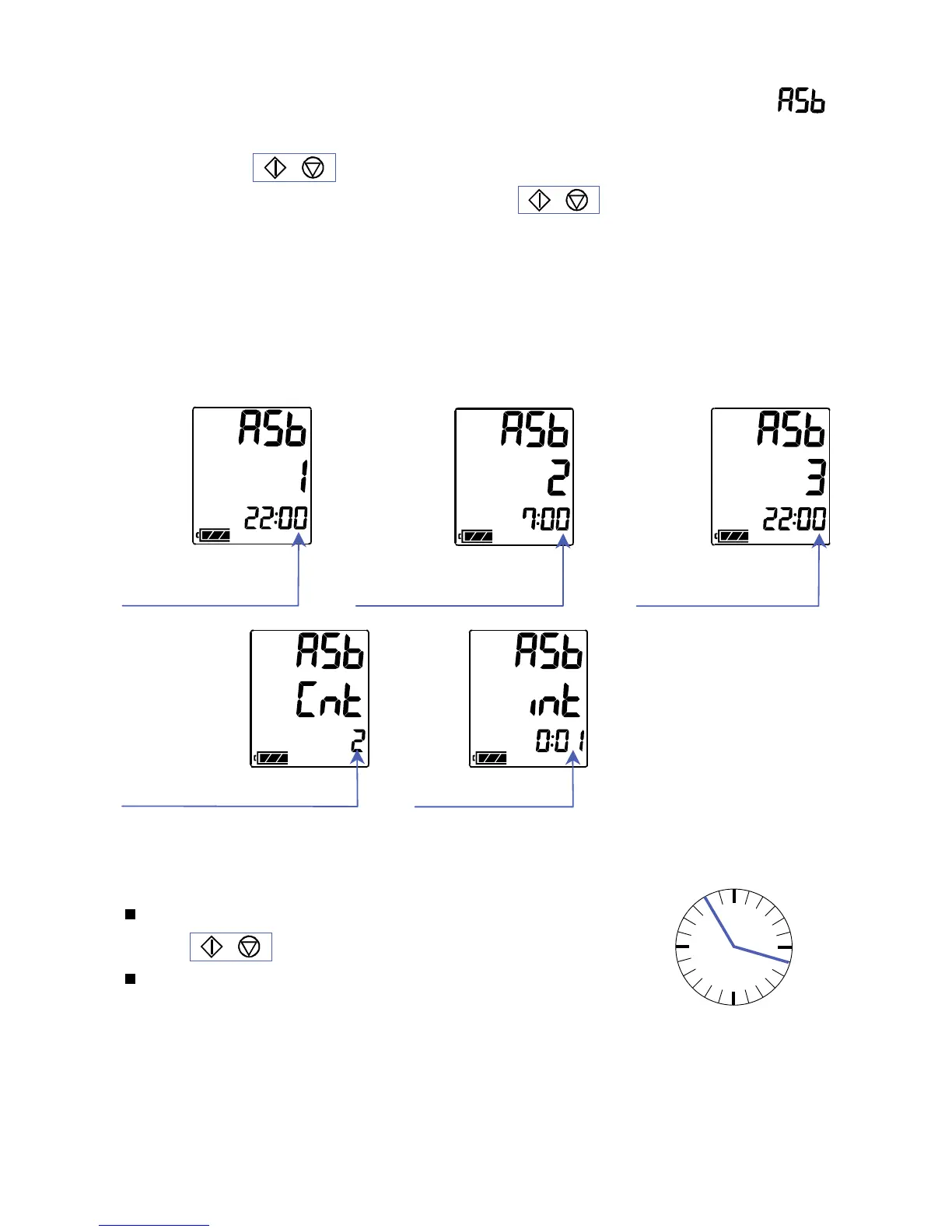
Automated self blood pressure display ASBP
The ASBP can specify up to six preset start times for the alarm.
When the
/ switch is pressed, the ASBP is started. The buzzer
sounds at each Start time. Press the / switch to perform the
"1 scope" when the buzzer sounds. Refer to "6.2.1. S-BPM
Programs" for the "1 scope".
When last start time is the same as first start time, the settings
of Start time is finished. Next, specify the measurement count
and interval time for the "1 scope".
First start time 2nd start time 3rd start time
of alarm of alarm of alarm
Measurement count Interval time
Example Settings and simplified input
The buzzer sounds at 22:00 and 7:00. Press
the
/ switch to perform the "1 scope".
The start time of section 1 = 22:00
The start time of section 2 = 7:00
The start time of section 3 = 22:00 .............. The same as section 1
The measurement count = 2 times
The interval time = 0:01 minute
7:00
6:00
24:00
00:00
12:00
18:00
22:00

Table of Contents

Other manuals for A&D TM-2441

Related product manuals