EasyManua.ls Logo

ABB REC 561 - Page 211

ABB REC 561
643 pages
Print Icon
To Next Page IconTo Next Page
To Next Page IconTo Next Page
To Previous Page IconTo Previous Page
To Previous Page IconTo Previous Page
Loading...
ABB Network Partner AB
Synchronism and energizing
check for double circuit breakers
and voltage selection
Version 1.0-00
1MRK 580 167-XEN
Page 5 - 32
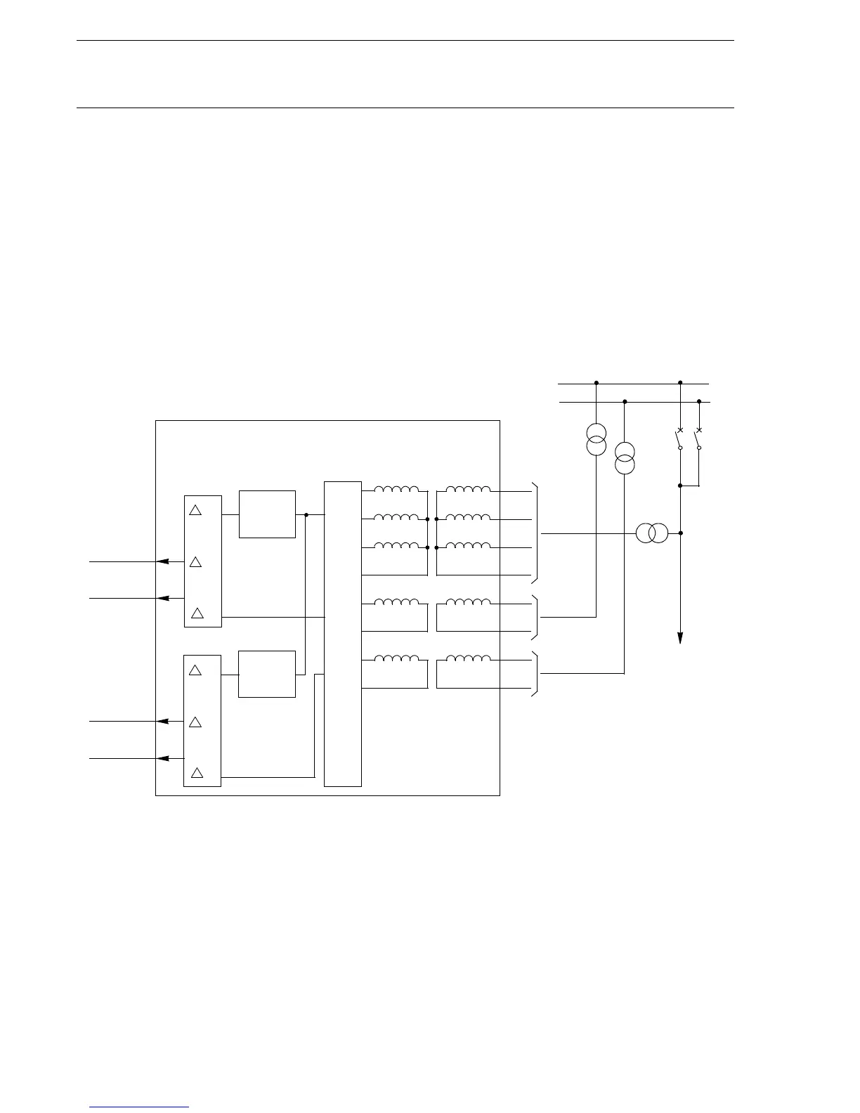
In terminals intended for one bay the U-line voltage reference phase is
selected on the man-machine interface (MMI). The reference voltage can
be single-phase L1, L2, L3 or phase-phase L1-L2, L2-L3, L3-L1. The U-
bus voltage must then be connected to the same phase or phases as are
chosen on the MMI. Fig. 2 shows the voltage connection.
In terminals intended for several bays, all voltage inputs are single phase
circuits. The voltage can be selected for single phase or phase-to-phase
measurement on the MMI. All voltage inputs must be connected to the
same phase or phases.
The circuit breaker can be closed when the conditions for FreqDiff,
PhaseDiff, and UDiff are fulfilled with the UHigh condition.
Fig. 2 Connection of the synchro-check function for one bay
(X80167-2)
U-Line
U-Bus 1
UL1
UL2
UL3
UN
U
UN
AD
L1,L2,L3
L12,L23
L31
ϕ
U
f
SYN1
AUTOOK
SYN1
MANOK
MMI
Setting
U-Bus 2
U
UN
L1,L2,L3
L12,L23
L31
ϕ
U
f
SYN2
AUTOOK
SYN2
MANOK
MMI
Setting
SYN1
SYN2

Table of Contents

Related product manuals