EasyManua.ls Logo

Advantech Adam-4019+ - Multiple Module Hookup

Advantech Adam-4019+
390 pages
Print Icon
To Next Page IconTo Next Page
To Next Page IconTo Next Page
To Previous Page IconTo Previous Page
To Previous Page IconTo Previous Page
Loading...
13 ADAM-4000 Series User Manual
Chapter 2 Installation Guideline
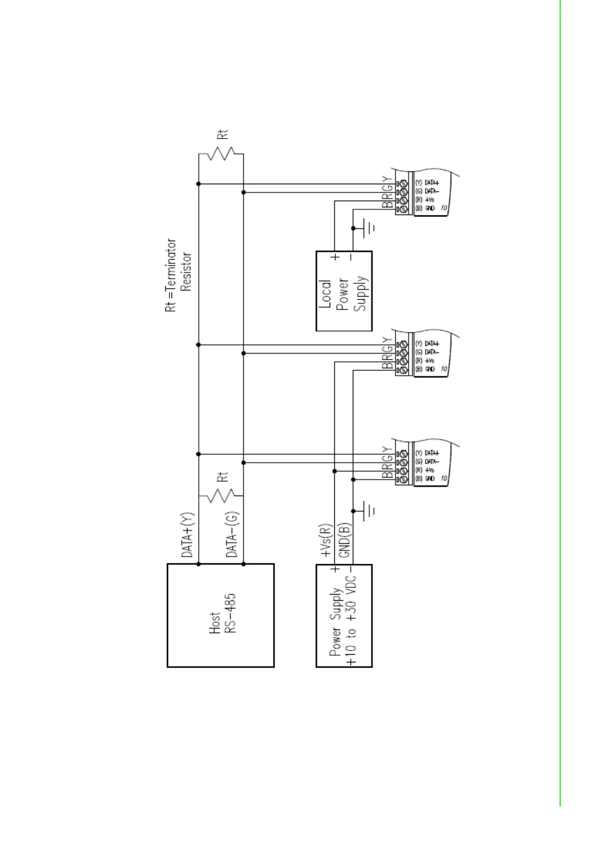
2.4 Multiple Module Hookup
The Figure below is an example of how ADAM modules are connected in a multiple
module network:
Figure 2.5 Multi-module Connection

Table of Contents

Related product manuals