EasyManua.ls Logo

Agilent Technologies 34970A - Page 239

Agilent Technologies 34970A
273 pages
To Next Page IconTo Next Page
To Next Page IconTo Next Page
To Previous Page IconTo Previous Page
To Previous Page IconTo Previous Page
Loading...
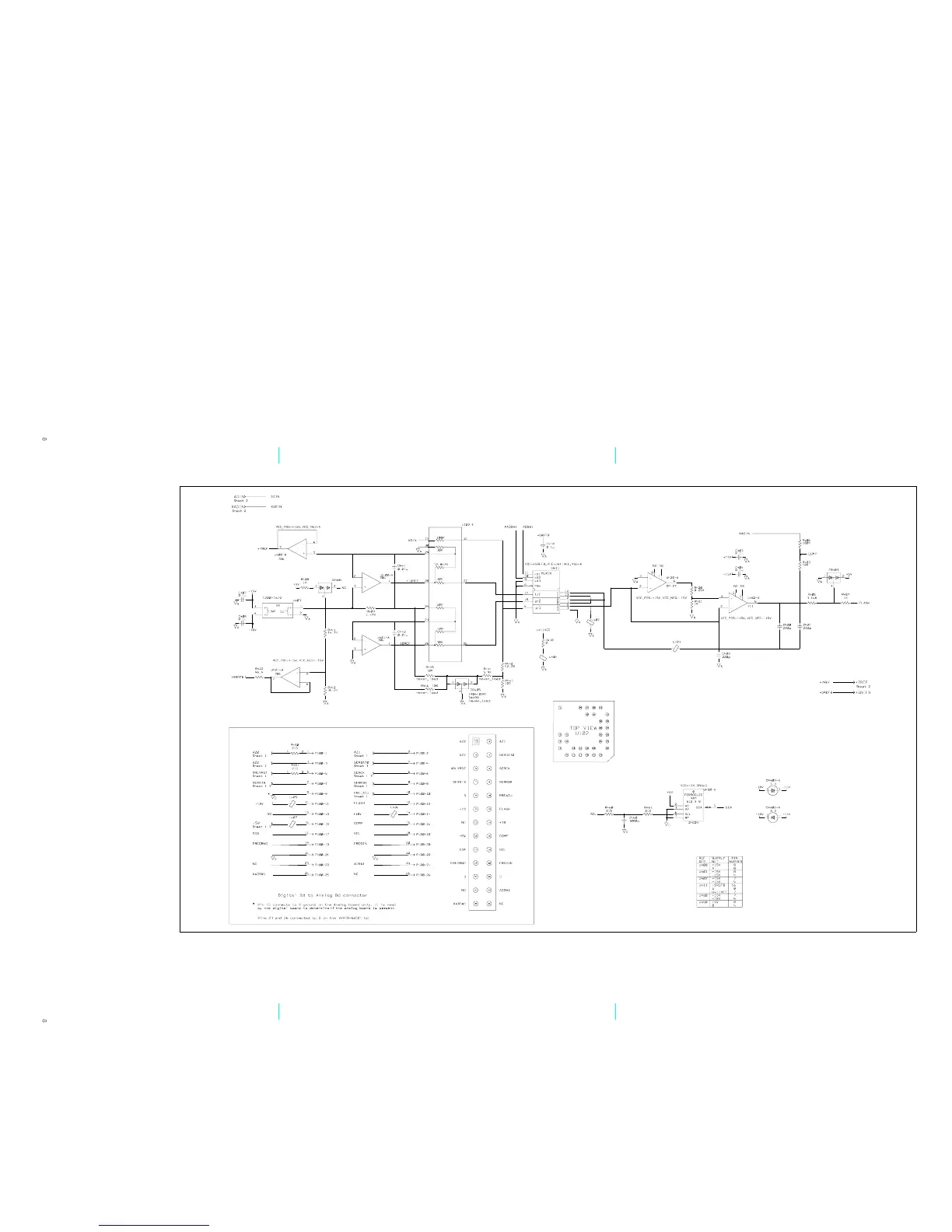
34970-66504 (sheet 4 of 4)
A4 A/D Converter Schematic
237
Fold Here
Fold Here
Fold Here
Fold Here
Ô
Binder Edge (RH Page)
Foldout Cut Size = 9 x 19 inches
Ô
Binder Edge (RH Page)
Foldout Cut Size = 9 x 19 inches

Table of Contents

Other manuals for Agilent Technologies 34970A

Related product manuals