EasyManua.ls Logo

Alinx AX7035 - Page 20

Alinx AX7035
42 pages
Print Icon
To Next Page IconTo Next Page
To Next Page IconTo Next Page
To Previous Page IconTo Previous Page
To Previous Page IconTo Previous Page
Loading...
Amazon Store: https://www.amazon.com./alinx
Sales Email: rachel.zhou@aithtech.com
ARTIX-7 FPGA Development Board AX7035 User Manual
20 / 42
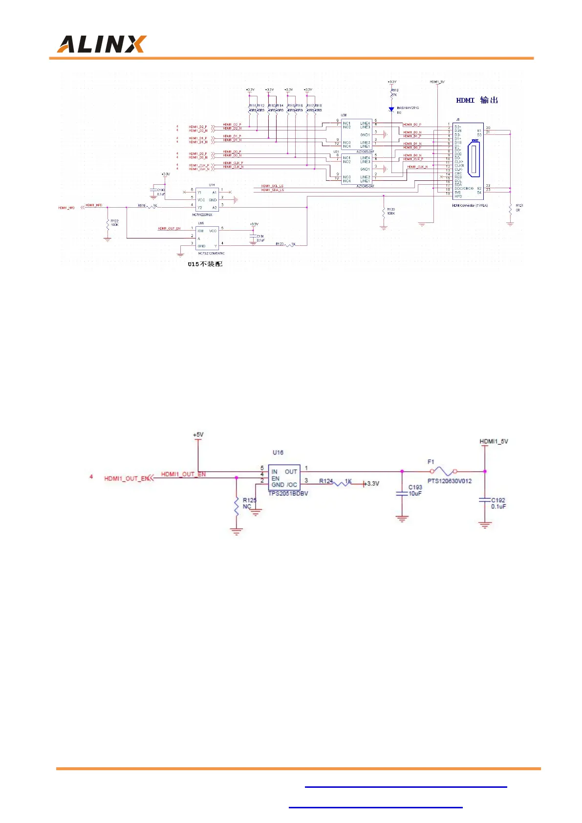
Figure 9-1: HDMI Output Interface Schematic
When the development board is used as an output device for HDMI display,
it needs to provide a +5V power supply to the HDMI display device. When the
HDMI1_OUT_EN signal is high, it outputs +5V power to the external HDMI
device. The power output control circuit is shown in Figure 9-2.
Figure 9-2: HDMI +5V Output Schematic
In addition, the HMDI master device reads the EDID device information of
the HDMI display device through the IIC bus. The pin level of the FPGA is 3.3V,
but the level of HDMI is +5V. Here, the level conversion chip GTL2002D is
required to connect. The conversion circuit of IIC is shown in Figure 9-3

Related product manuals