EasyManua.ls Logo

Amco Veba 817NG - Page 153

Default Icon
166 pages
Print Icon
To Next Page IconTo Next Page
To Next Page IconTo Next Page
To Previous Page IconTo Previous Page
To Previous Page IconTo Previous Page
Loading...
USER MANUAL
817NG
ANNEXES
E.23
7845282-06 03/20
subject to c
hange without notice
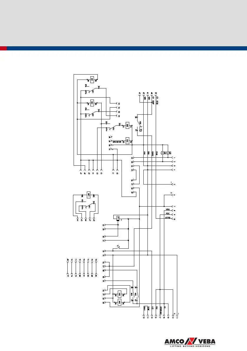
ELECTRIC SCHEMATICS
TERMINAL BOX - ELECTRIC SCHEMATIC
WINCH DI
WINCH PWR
TWL
DEV. DANFOSS
30
31
15
ROT DIDIR A
DIR B
EV LCS
PRESS.
CRANE
PRESS.
JIB
PWR RDC
SERVICE RDC
EMERG.1
EMERG.2
POWER SUPPLY
KEY SWITCH
OPTION-RDC OUT
OPTION-RDC IN
GND
+24V
RELE' DISP.
WINCH OUT
30
87a
1010244-P1

Table of Contents