EasyManua.ls Logo

Arbor Technology FPC-7900 - Motherboard Layout and Connectors

Arbor Technology FPC-7900
107 pages
Print Icon
To Next Page IconTo Next Page
To Next Page IconTo Next Page
To Previous Page IconTo Previous Page
To Previous Page IconTo Previous Page
Loading...
- 14 -
Engine of the Computer
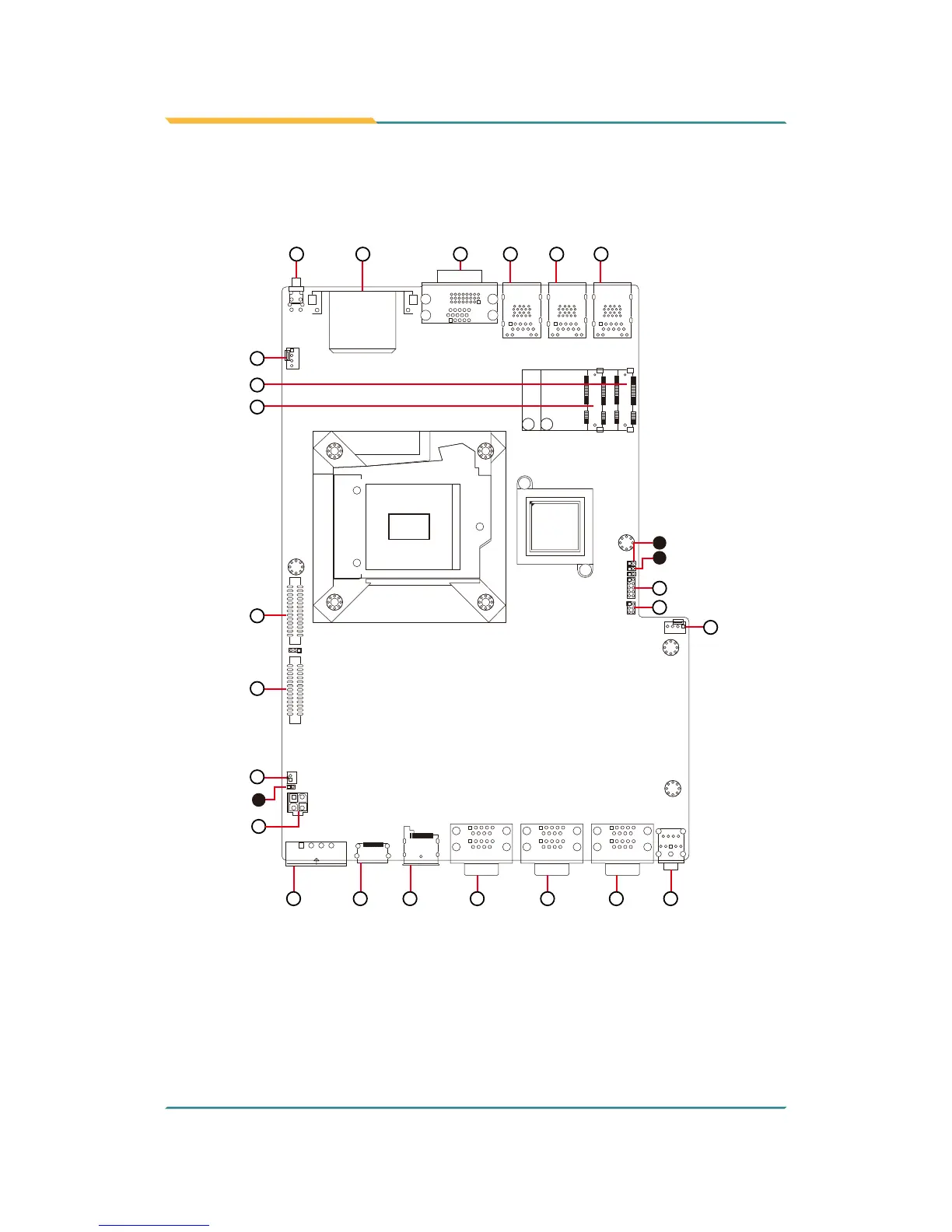
3.1. Board Layout
Board Top
DGP1
JME1
7
JPIC1
8
CPUFAN1
9
COM3 AUDIO1COM2COM1
16
PWRIN1 HDMI1
15
HDMI_DP1
14 13 12 11 10
LPT1
20
SYSFAN1
23
MC1
22
MC2
21
DIO1
19
JACCON1
18
17
1
JME2
2
JACCON2
3
POEOUT1
3
SW1
1
CF1
2
VGA1
3
LAN3
4
LAN2
5
LAN1
6

Related product manuals