EasyManua.ls Logo

AudioArts Engineering D-70 - Page 100

Default Icon
130 pages
Print Icon
To Next Page IconTo Next Page
To Next Page IconTo Next Page
To Previous Page IconTo Previous Page
To Previous Page IconTo Previous Page
Loading...
D-70 / Nov 2001
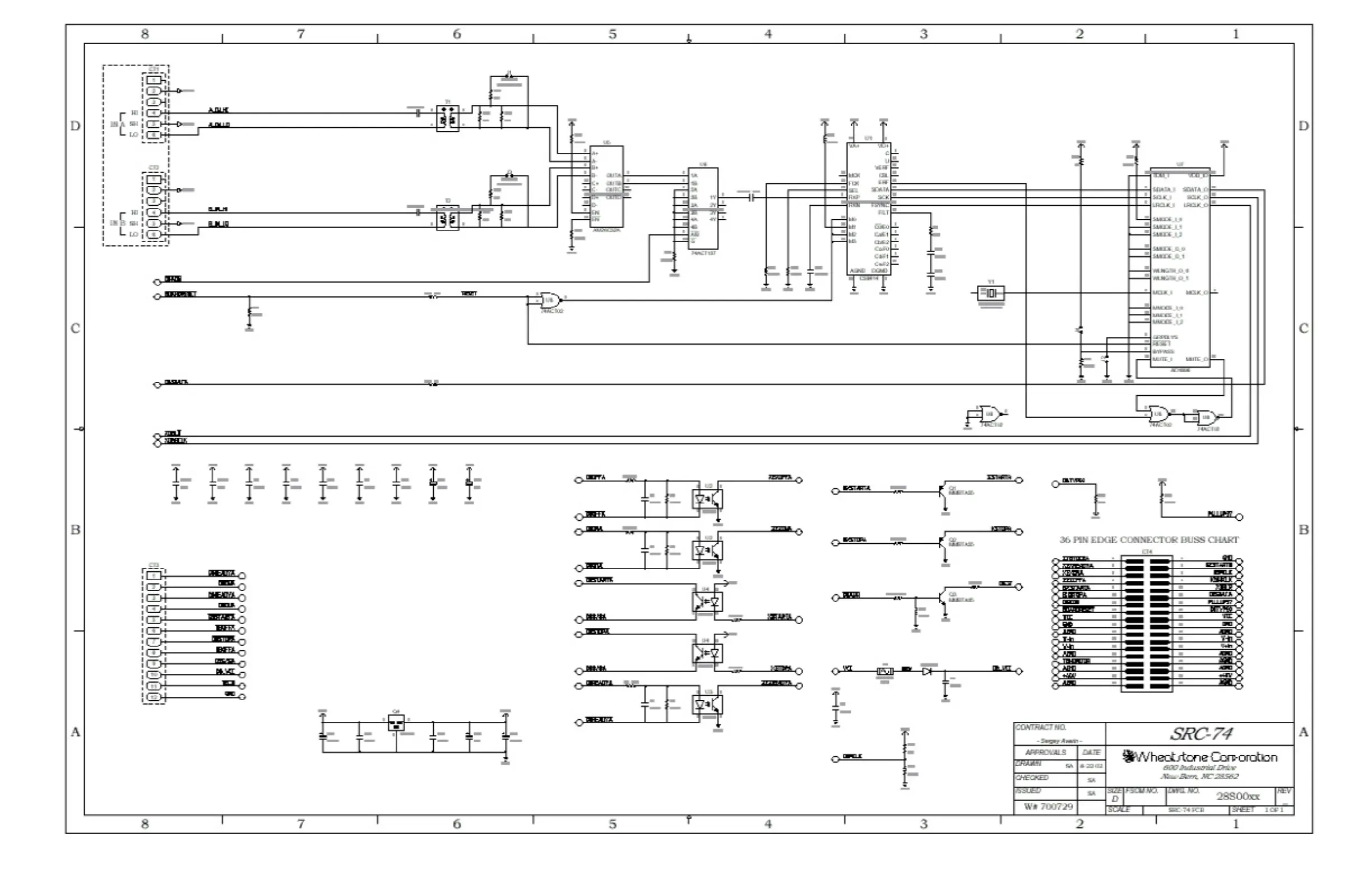
SRC-74 Digital Stereo Line Input SRC I/O Card Schematic - Sheet 1 of 1
page 12 – 4
D-70 / Mar 2003

Table of Contents

Related product manuals