EasyManua.ls Logo

AudioArts Engineering D-70 - Page 102

Default Icon
130 pages
Print Icon
To Next Page IconTo Next Page
To Next Page IconTo Next Page
To Previous Page IconTo Previous Page
To Previous Page IconTo Previous Page
Loading...
1.00K
R14
VCC
GNDGND
4.99K
R11
1
2
3
4
5
6
7
8
9
10
11
12
15
16
17
20
21
22
23
24
13
14
CS8402A
U1
____
___
_____
_____
___
___
______
____
EM0/C9
C7/C3
PRO
C1/FCO
C6/C2
C9/C15
MCK
SCK
FSYNC
SDATA
V
C/SBF
U
RST
M0
M1
M2
TRNPT/FC1
EM1/C8
CBL/SBC
TXN
TXP
6
43
1
T1
220 R13
220 R12
GND
CS8402A
14
13
24
23
22
21
20
17
16
15
12
11
10
9
8
7
6
5
4
3
2
1
U2
____
___
_____
_____
___
___
______
____
EM0/C9
C7/C3
PRO
C1/FCO
C6/C2
C9/C15
MCK
SCK
FSYNC
SDATA
V
C/SBF
U
RST
M0
M1
M2
TRNPT/FC1
EM1/C8
CBL/SBC
TXN
TXP
1
34
6
T2
220 R16
220 R15
GND
CS8402A
14
13
24
23
22
21
20
17
16
15
12
11
10
9
8
7
6
5
4
3
2
1
U3
____
___
_____
_____
___
___
______
____
EM0/C9
C7/C3
PRO
C1/FCO
C6/C2
C9/C15
MCK
SCK
FSYNC
SDATA
V
C/SBF
U
RST
M0
M1
M2
TRNPT/FC1
EM1/C8
CBL/SBC
TXN
TXP
6
43
1
T3
220 R18
220 R17
GND
1
2
3
4
5
6
7
8
9
10
11
12
15
16
17
20
21
22
23
24
13
14
CS8402A
U4
____
___
_____
_____
___
___
______
____
EM0/C9
C7/C3
PRO
C1/FCO
C6/C2
C9/C15
MCK
SCK
FSYNC
SDATA
V
C/SBF
U
RST
M0
M1
M2
TRNPT/FC1
EM1/C8
CBL/SBC
TXN
TXP
T4
1
34
6
220 R20
220 R19
4.99K
R8
4.99K
R7
4.99K
R10
4.99K
R9
GND
VCCVCCVCCVCC
J2
J1
J4
J3
0.1uF
C5
VCC
GND
0.1uF
C3
VCC
GND
0.1uF
C4
VCC
GND
0.1uF
C2
VCC
GND
0.1uF
C1
VCC
GND
CT3
1
2
3
CT3
4
5
6
CT1
1
2
3
CT1
6
5
4
CT2
1
2
3
4
5
6
CT2
CT4
1
2
3
CT4
6
5
4
AGND
AGND
AGND
AGND
AGND
AGND
AGND
AGND
CT5
3635
3433
3231
3029
2827
2625
2423
2221
2019
1817
1615
1413
1211
109
87
65
43
21
GND
VCC
POLYSW
.3A
F1
1uF
C11
1uF
C9
22uF
C7
0.1uF
C6
0.1uF
C10
22uF
C8
GND
VCC
619
R5
1.00K
R2
GND
VCC
R4
619
R3
1.00K
GND
VCC
R6
619
R1
1.00K
2
3
1
PQ05
Q1
GND
OUT IN
28S0046
SA
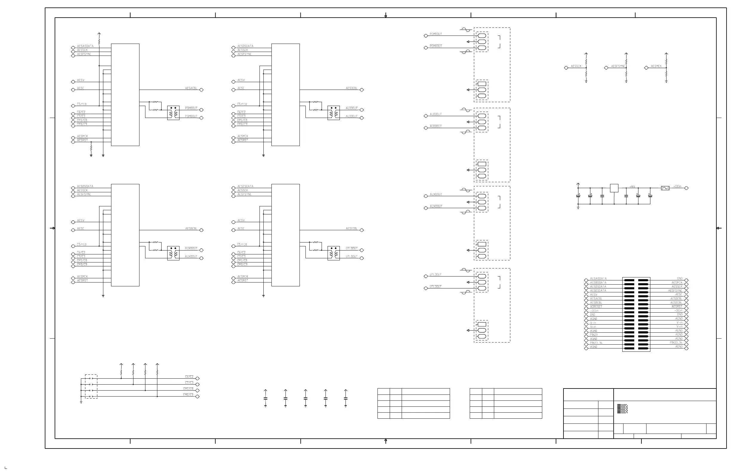
1 OF 1OMD-70A PCB
W# 700604
SA
OMD-70 Digital Stereo Output I/O Card Schematic -Sheet 1 of 1
SA 9-19-00
OMD-70
D-70/Nov 2002
page 12 - 5
- Sergey Averin -
_
A
B
C
DD
C
B
A
87654321
12345678
SIZE FSCM NO. DWG. NO. REV
D
SHEETSCALE
DATEAPPROVALS
CONTRACT NO.
DRAWN
ISSUED
CHECKED
New Bern, NC 28562
600 Industrial Drive
AUDIOARTS ENGINEERING
AUX 1
C6
C7
EM1
EM0
AUX 2
LO
HI
SH
LO
HI
SH
LO
HI
SH
SH
HI
LO
36 PIN EDGE CONNECTOR BUSS CHART
BAL
BAL
BAL
BAL
AUX 1
AUD
PGM
PGM
AUD
AUX 2
ON ON 32 kHz ON ON CCITT J.17
ON OFF 44.1 kHz ON OFF 50/15 uS
ON NONEONOFF48 kHzOFF
OFF OFF NOT INDICATED OFF OFF NOT INDICATED
EMPHASISEM1 EM0C6 C7 SAMPLING FREQUENCY
AES

Table of Contents

Related product manuals