EasyManua.ls Logo

AudioArts Engineering D-70 - Page 106

Default Icon
130 pages
Print Icon
To Next Page IconTo Next Page
To Next Page IconTo Next Page
To Previous Page IconTo Previous Page
To Previous Page IconTo Previous Page
Loading...
28S0042
SA
1 OF 1MON1-70 PCB
W# 700611
SA
D-70/Sep 2000 Page 6
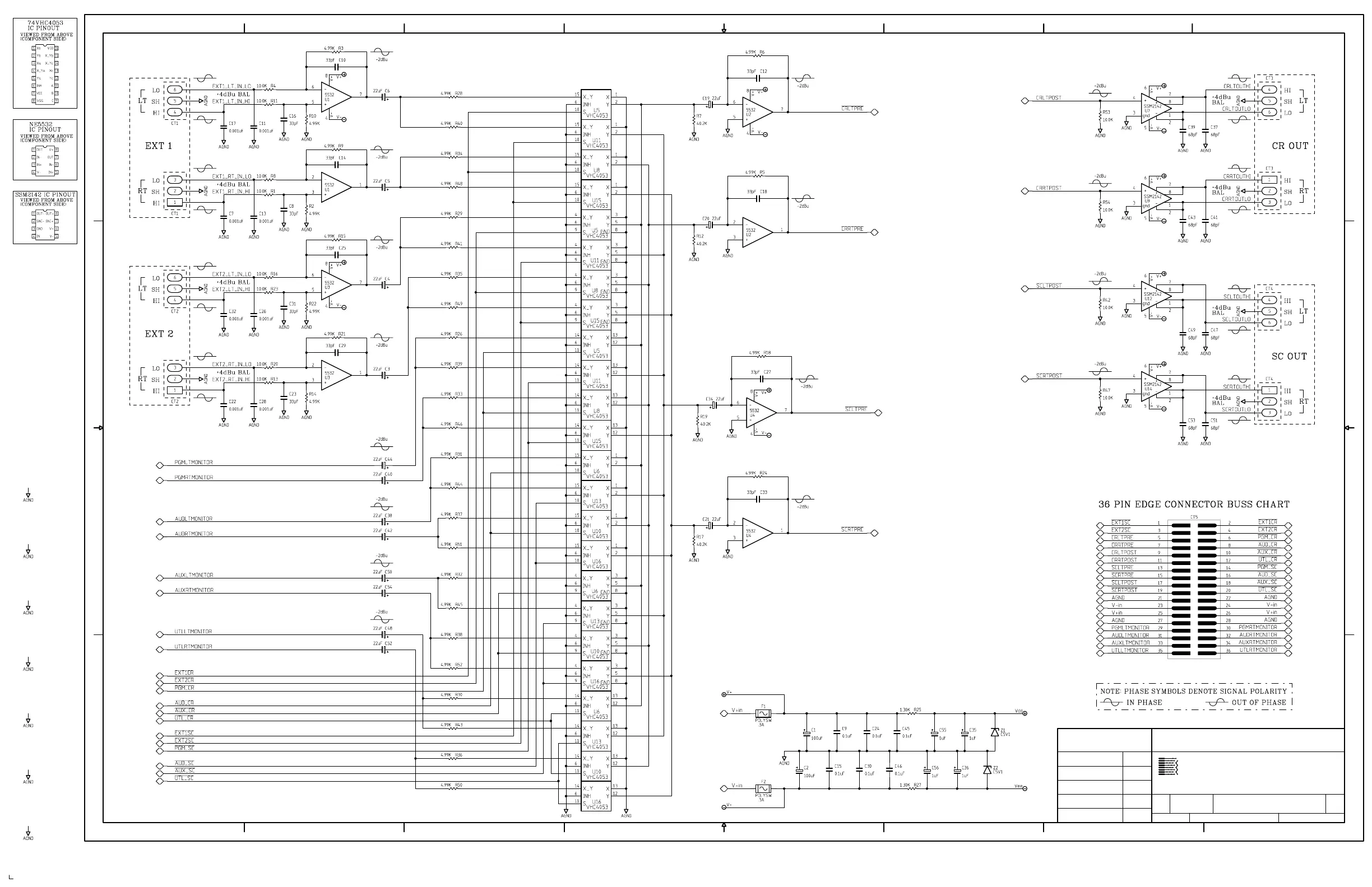
MONITOR 1-70 Control Room/ Studio I/O Schematic -Sheet 1 of 1
SA 8-14-00
MON1-70
CHECKED
ISSUED
DRAWN
CONTRACT NO.
APPROVALS DATE
SCALE SHEET
D
REVDWG. NO.FSCM NO.SIZE
87654321
12345678
A
B
C
D D
C
B
A
-
600 Industrial Drive
New Bern, NC 28562
AUDIOARTS ENGINEERING

Table of Contents

Related product manuals