EasyManua.ls Logo

AudioArts Engineering D-70 - Page 112

Default Icon
130 pages
Print Icon
To Next Page IconTo Next Page
To Next Page IconTo Next Page
To Previous Page IconTo Previous Page
To Previous Page IconTo Previous Page
Loading...
600 Industrial Drive
New Bern, NC 28562
AUDIOARTS ENGINEERING
28S0008
SA
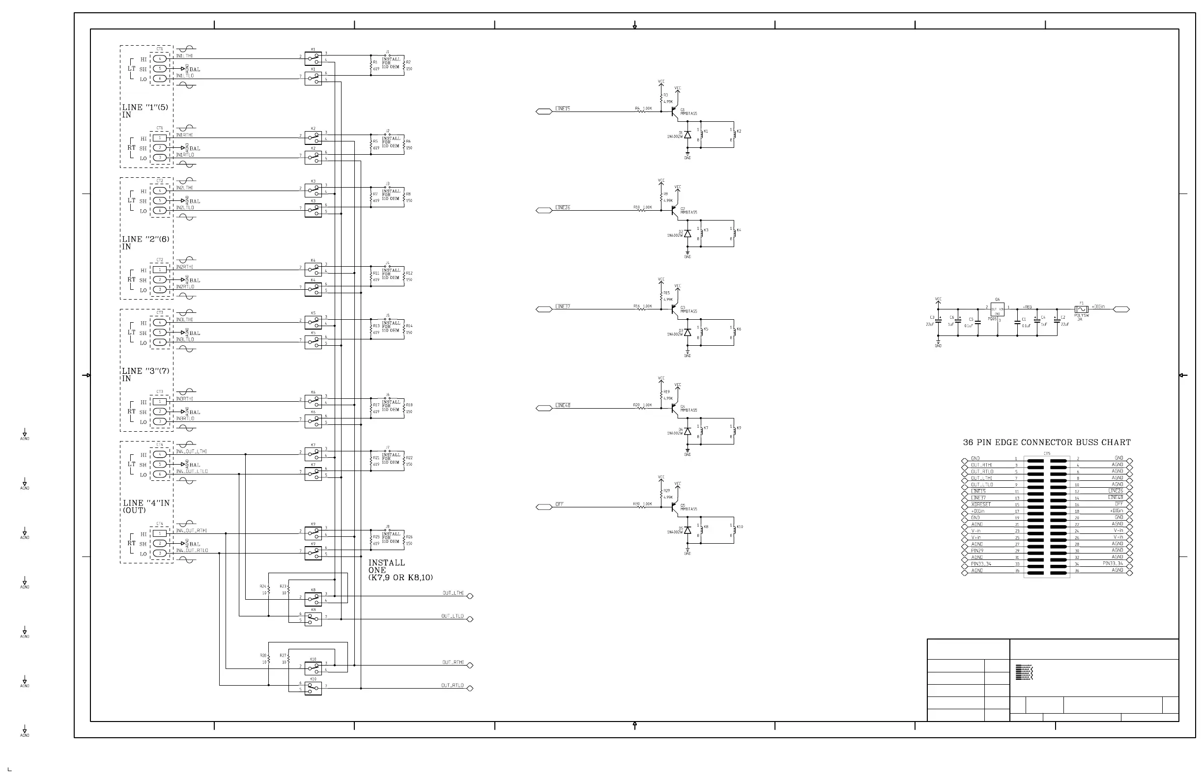
1 OF 1LSR-70 PCB
W# 700605
SA
D-70/Sep 2000 Page 9
LSR-70 Line Select Relay I/O Card Schematic -Sheet 1 of 1
SA 9-20-00
LSR-70
CHECKED
ISSUED
DRAWN
CONTRACT NO.
APPROVALS DATE
SCALE SHEET
D
REVDWG. NO.FSCM NO.SIZE
87654321
12345678
A
B
C
D D
C
B
A
-

Table of Contents

Related product manuals