EasyManua.ls Logo

AudioArts Engineering D-70 - Page 120

Default Icon
130 pages
Print Icon
To Next Page IconTo Next Page
To Next Page IconTo Next Page
To Previous Page IconTo Previous Page
To Previous Page IconTo Previous Page
Loading...
12
34
SW3
SW5
43
21
43
21
SW1
43
21
SW2
VCC
VCC
VCC
VCC
VCC
VCC
VCC
VCC
VCC
VCC
VCC
VCC
SW6
43
21
SW4
12
34
600 Industrial Drive
New Bern, NC 28562
INSW-70
D-70/Nov 2002
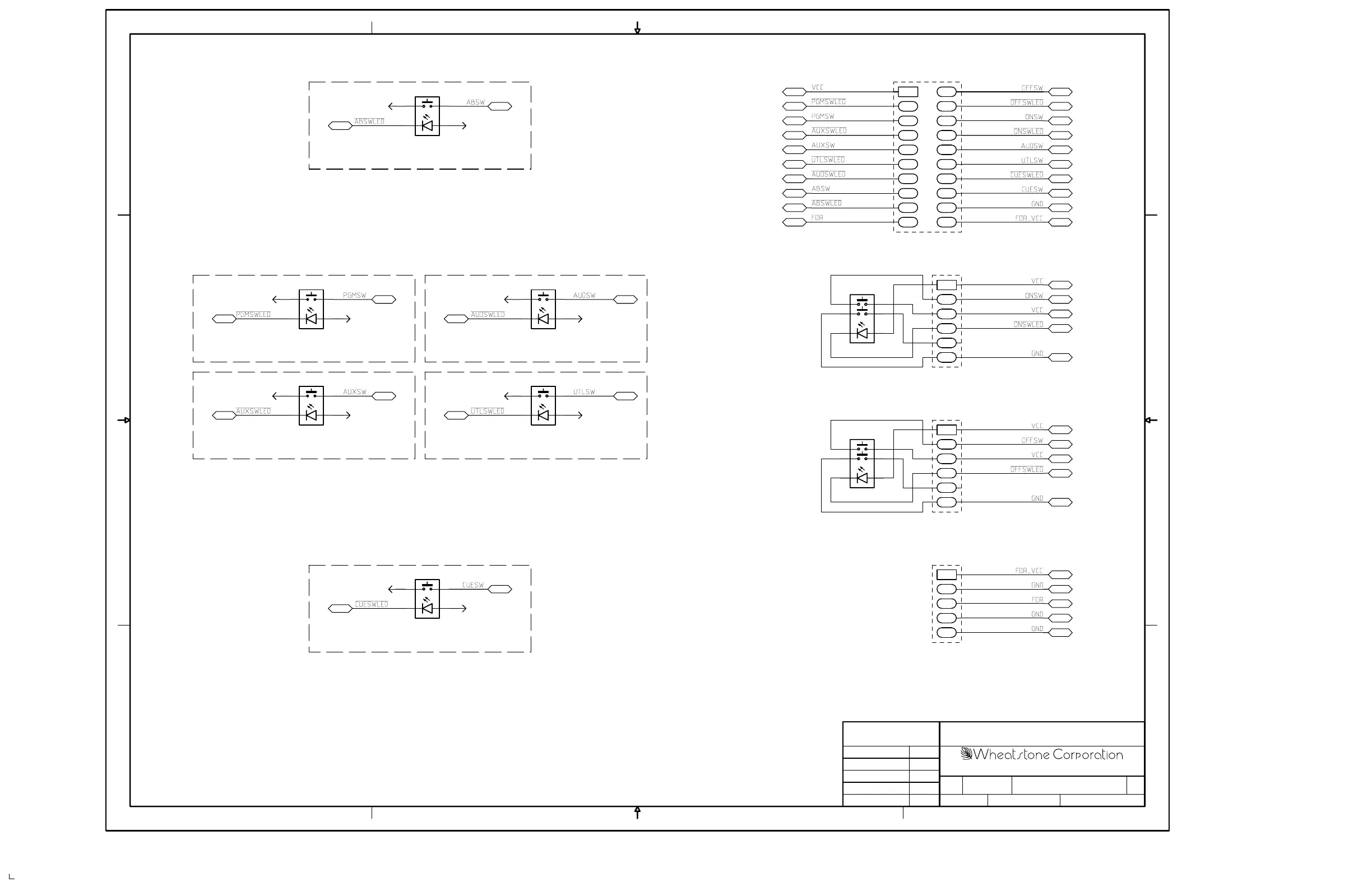
INSW-70 Input Module Switch Card Schematic - Sheet 1 of 1
8-15-00SA
SA
SA
W# 700602
INSW-70 PCB
28S0004
1 OF 1
page 12 - 27A
A
C
D
B
4321
D
C
B
A
234 1
-
APPROVALS DATE
ISSUED
CHECKED
DRAWN
CONTRACT NO.
C
REV
SHEET
DWG. NO.SIZE
SCALE
FSCM NO.
CT4
8
6
4
2
20
10
12
14
16
18
1
3
5
7
9
11
13
15
17
19
CT3
1
2
3
4
5
6
CT2
1
2
3
4
5
6
CT1
1
2
3
4
5
OFF SW
ON SW
A/B
CUE
PGM AUD
AUX 1 AUX 2

Table of Contents

Related product manuals