EasyManua.ls Logo

Avery Weigh-Tronix evolution Series - Page 124

Avery Weigh-Tronix evolution Series
131 pages
Print Icon
To Next Page IconTo Next Page
To Next Page IconTo Next Page
To Previous Page IconTo Previous Page
To Previous Page IconTo Previous Page
Loading...
124
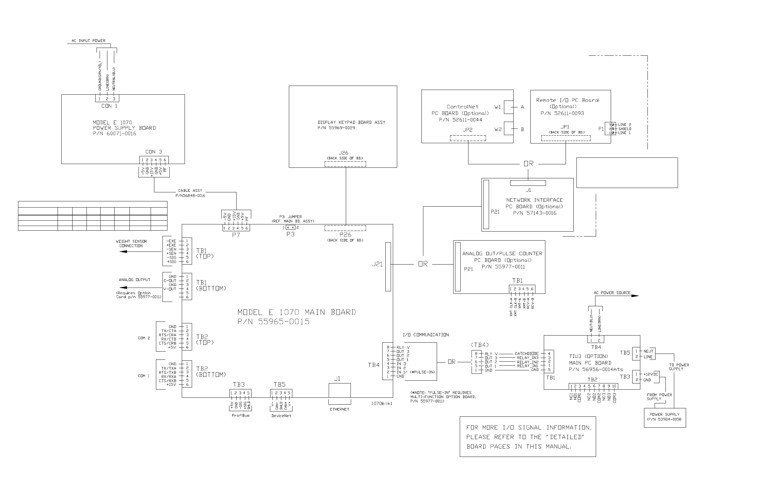
MODEL E1070 SST INDICATOR
SYSTEM BLOCK DIAGRAM
WEIGHT SENSOR-TO-TB1 (TOP) WIRE COLOR CHART
SMA wire color
W-T wire color
-EXC
BLK
BLK
+SENSE+EXC
GRN
GRN
YEL
BLU
SHIELD/GND
-SENSE
+SIGNAL
WHT
WHT
BLU
BRN
WHT/ORN
WHT/ORN
-SIGNAL
RED
RED
cannot be installed at the same time as the
"Analog Output/Pulse Input Kit".
NOTE: the "ControlNet kit" or "Remote I/O" kit
The "Network Interface Bd." must be installed
PRIOR to "ControlNet" Bd. or "Remote I/O Bd.
Remote I/O board, and mtg. hardware.
REMOTE I/O FIELD INSTALL KIT:
ControlNet FIELD INSTALL KIT:
Includes "Network Interface" board,
ControlNet board and mtg. hardware.
Includes "Network Interface" board,
P/N 57315-0034
P/N 57315-0059