EasyManua.ls Logo

BIFFI ICON-040 - Section 7: Set-Up Menu; Actuator Set-up Menu

Default Icon
177 pages
Print Icon
To Next Page IconTo Next Page
To Next Page IconTo Next Page
To Previous Page IconTo Previous Page
To Previous Page IconTo Previous Page
Loading...
December 2019
49
Installation, Operation and Maintenance Manual
VCIOM-08500-EN
Section 7: Set-Up Menu
Set-Up Menu
Section 7: Set-Up Menu
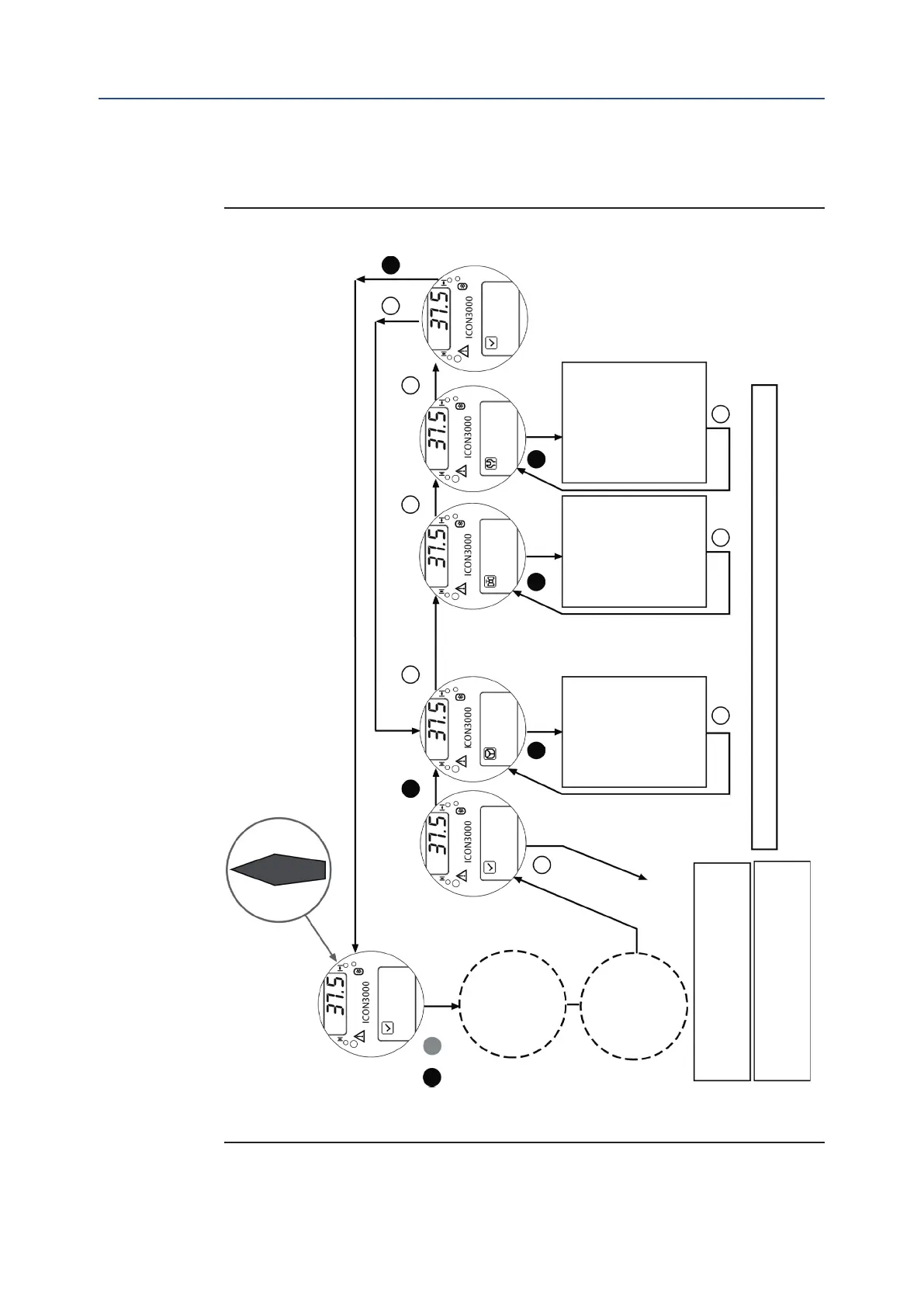
Figure 55
XXXXXX OFF
STOP NEXT?
Display
LOCAL
REMOTE
Routines:
- Tag name change?
- Serial number change?
- Manufacturer change?
- Break OP torque change?
- Break CL torque change?
- Max stem thrust change?
- Flange type change?
Routines:
- stroke limits change?
- torque set-up change?
- ESD set-up change?
- Remote controls change?
- Local controls change?
- Output relays change?
- Positioner * change?
- Fail safe * change?
- Out 4-20 mA * change?
- Interlock change?
- 2-speed timer change?
- Bus * change?
- Miscellaneous change?
To exit from SETUP menu press
YES and NO simultaneously or
move the 3-position selector to
LOCAL or REMOTE
1. Routines with * are only available if the relevant
modules are present
2. Nameplate menu not available in Set-up mode
ENTER
PASSWORD
TO VIEW MENU
Press YES or NO to answer the appropriate prompts (change? OK?, etc.)
SELECT
LANGUAGE
Routines:
- Set password change?
- Clear alarm log OK?
- Set torque prole reference OK?
- Set torque curve reference OK?
- Clear recent data log OK?
- Maintenance date change?
- Data logger change?
YES
YESYES
YES
NO
NO
NO
NO
YES
STOP
NO
NO
NO
NO
YES
OFF
3-position selector
VALVE DATA
CHANGE?
ACTUATOR SETUP
CHANGE?
SETUP MODE
OK?
MAINTENANCE
CHANGE?
EXIT?
OK?

Table of Contents

Related product manuals