EasyManua.ls Logo

Bosch BEA 460 - AMM (Bensinavgasmätmodul); Funktionsbeskrivning AMM; Uppvärmningstid; Nollbalansering

Bosch BEA 460
168 pages
Go to English
To Next Page IconTo Next Page
To Next Page IconTo Next Page
To Previous Page IconTo Previous Page
To Previous Page IconTo Previous Page
Loading...
1 689 989 027 2009-03-26| Robert Bosch GmbH
Apparatbeskrivning | BEA 460 | 83BEA 460 | 83 | 83 sv
3.5.3 AMM (bensinavgasmätmodul)
459715/8Rf
2
6
4
5
15
14
13
12
10
9
8
1
7
3
11
1617
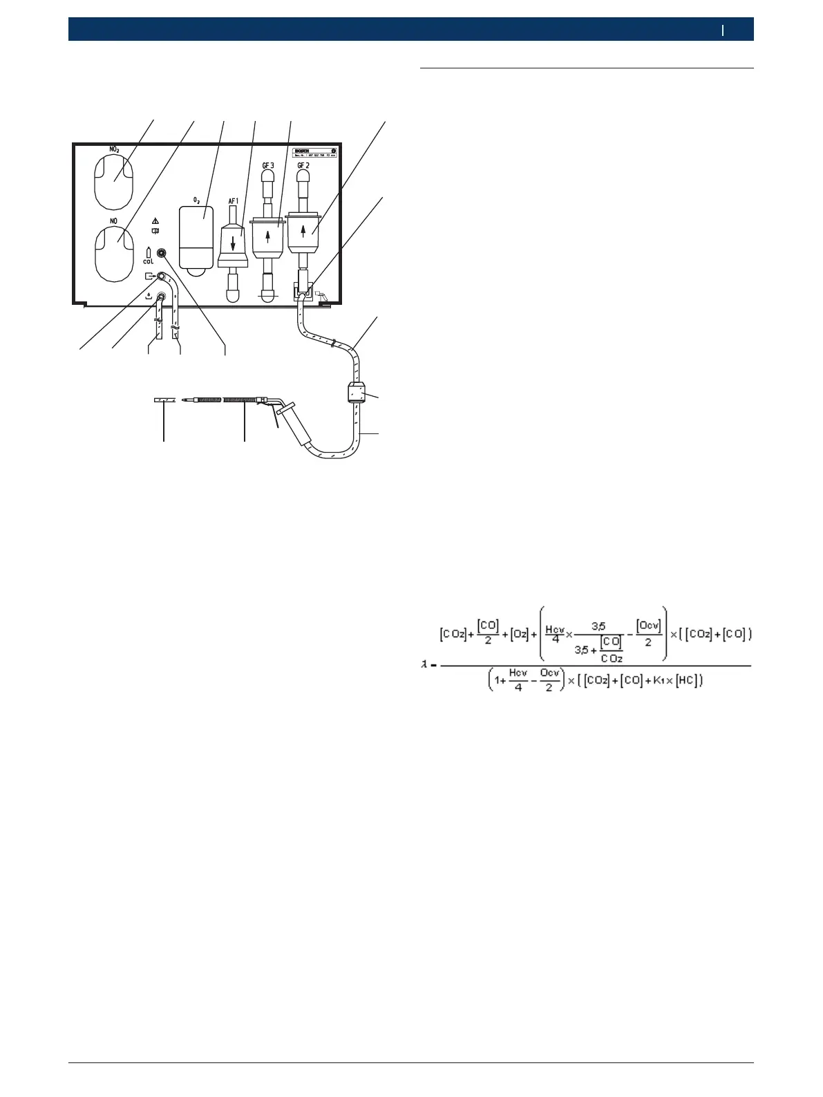
Fig. 3: AMM
1 NO2-sond (utan funktion)
2 NO-sond (specialtillbehör)
3 O
2
-mätvärdesgivare
4 Aktivtkolfilter
5 Pumpskyddsfilter GF3
6 Ingångsfilter GF2
7 Avgasmätingång
8 Avgasprovtagningsslang Viton 8 m (svart)
9 Grovfilter GF1
10 Avgasprovtagningsslang Viton 30 cm (svart)
11 Avgasprovtagningssond
12 Slangstuts för läcktest
13 Kalibrergasingång
14 Slangledning PVC 23 cm (klar)
15 Slangledning PVC 23 cm (klar)
16 Gas- och kondensutgång
17 Mätgasutgång
3.6 Funktionsbeskrivning AMM
Med AMM mäts otto-avgaskomponenterna CO, HC, CO
2
,
O
2
och NO (NO kompletterbar). Lufttalet för lambda
beräknas med hjälp av uppmätta gasvärden.
För mätning av CO, CO
2
och HC andelarna används den
ickedispersiva infraröd-metoden. Syreandelen bestäms
med en el-kemiskt verkande O
2
-mätvärdesgivare.
3.6.1 Uppvärmningstid
Uppvärmningstiden är ca en minut. Under denna tid kan
mätning inte utföras.
3.6.2 Nollbalansering
Före mätning och efter det mätningen startats,
utför BEA automatiskt i oregelbundna intervaller en
nollbalansering med omgivningsluft (syrgasmätningens
drift övervakas och justeras om så behövs). För
nollbalansering kopplar BEA om en magnetventil
till omgivningsluft (kallas även för nollgas). För
30 sekunder spolas med omgivningsluft. Med ett
aktivtkolfilter renas den insugna omgivningsluften från
kolväten.
i Under en pågående mätning förskjuts
nollbalanseringen tills mätningen avslutats.
3.6.3 Lufttalsmätning lambda
Baserande på uppmätt koncentration av HC, CO, CO
2
och syre beräknar BEA lufttalet lambda. Lambdavärdet
beräknas med hjälp av Brettschneider-formeln:
[ ] Koncentration i % vol, även för HC
K1 Konversationsfaktor för HC från NDIR till FID
(Värde 8)
HCV Väte-kolförhållande i bränslet
(typiskt 1,7261) *
OCV Syre-kolförhållande i bränslet
(typiskt 0.0175) *
* Beroende av använt bränsle. Dessa värden kan ändras hos
Bosch-kundservice.

Table of Contents

Other manuals for Bosch BEA 460

Related product manuals