EasyManua.ls Logo

Brother S-7300A-403P - Installation Details and Setup; Table Processing Diagram; Control Box and Connecting Rod Installation

Brother S-7300A-403P
108 pages
Print Icon
To Next Page IconTo Next Page
To Next Page IconTo Next Page
To Previous Page IconTo Previous Page
To Previous Page IconTo Previous Page
Loading...
S-7300A
3. INSTALLATION
4
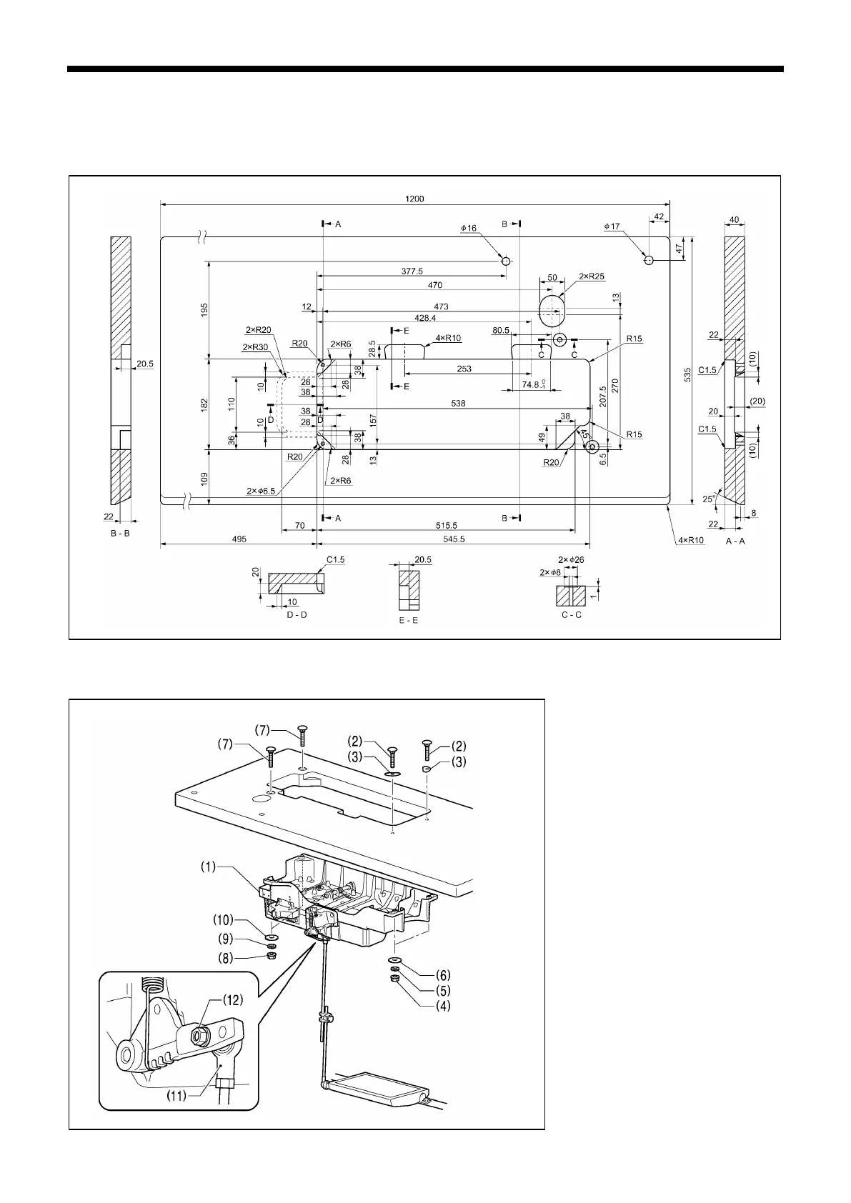
3-1. Table processing diagram
The top of the table should be 40 mm in thickness and should be strong enough to hold the weight and with-stand the
vibration of the sewing machine.
Drill holes as indicated in the illustration below.
3-2. Installation
1. Control box
(1) Control box
(2) Bolts [4 pcs]
(3) Washers [2 pcs]
(4) Nuts [2 pcs]
(5) Spring washers [2 pcs]
(6) Washers [2 pcs]
(7) Bolts (large) [2 pcs]
(8) Nuts (large) [2 pcs]
(9) Spring washers (large) [2 pcs]
(10) Washers (large) [2 pcs]
2. Connecting rod
(11) Connecting rod
(12) Nut
0880D
Cotton stand hole
Cord hole
Head rest hole
Control box
mounting hole
0881D

Table of Contents

Related product manuals