EasyManua.ls Logo

BWT Perla one - Installation; Installation Diagram

BWT Perla one
60 pages
Print Icon
To Next Page IconTo Next Page
To Next Page IconTo Next Page
To Previous Page IconTo Previous Page
To Previous Page IconTo Previous Page
Loading...
16
EN
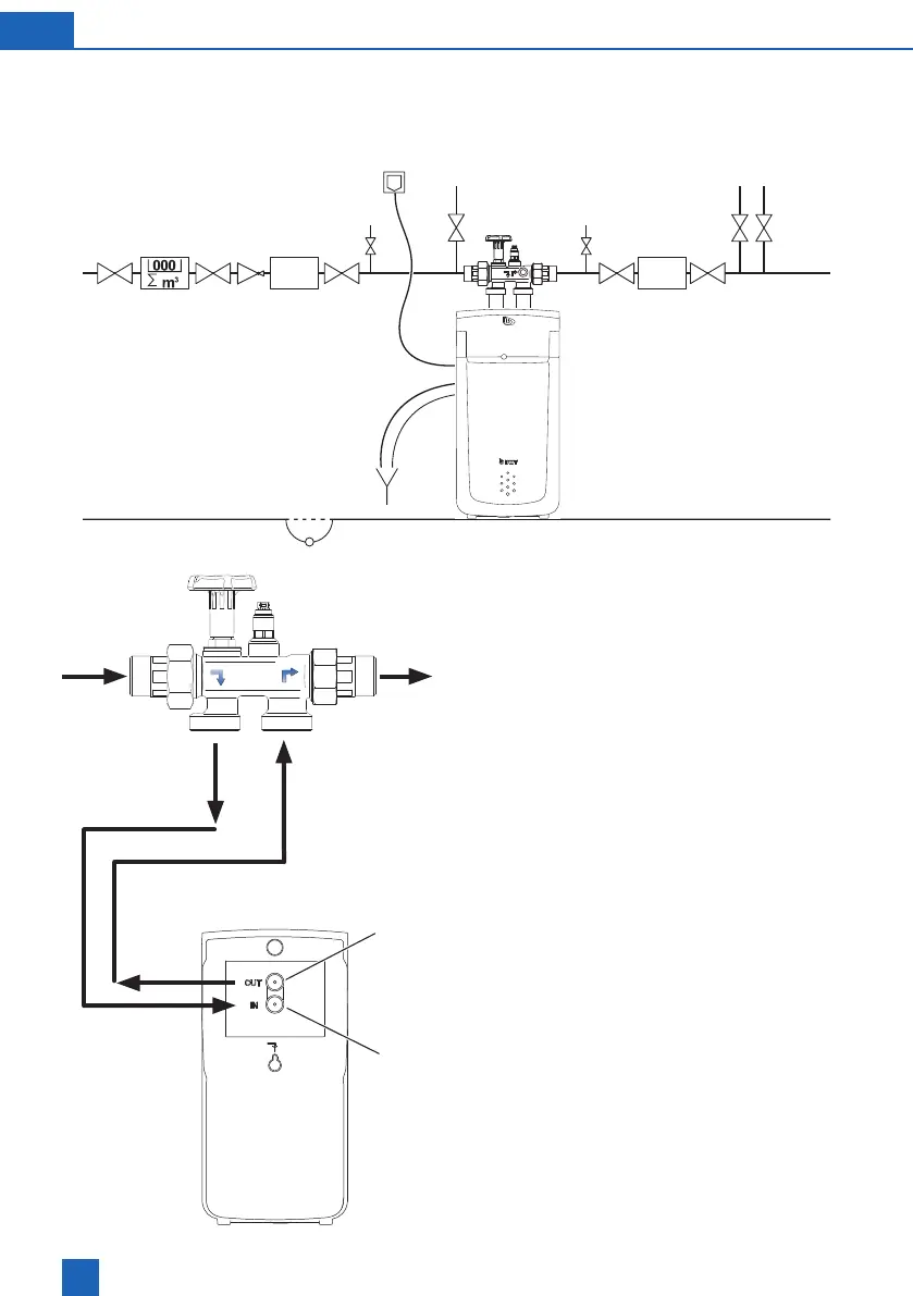
Connect the product as shown in the diagram
opposite. A bypass is integrated into Multiblock X.
The unit can be installed in horizontal or vertical
pipelines.
Follow the separate installation instructions for
the Multiblock X, otherwise warranty claims are
void should the unit be damaged.
Rinse out any dirt particles by opening the
handwheel on the Multiblock.
Connect a corrugated hose to the Multiblock X

connection IN (6) of the product. Observe the

Connect a corrugated hose to the Multiblock X
inlet and then connect this to the outlet water
connection OUT (5) of the product. Observe the

leading
away to 6
Multiblock X
coming
from 5
5
6
6 Installation
6.1 Installation diagram
Filter
Pressure reducer, metering
unit may be required depend-
ing on operating conditions
Meter-
ing unit
Garden water pipe, lling
pipe for swimming pool
Cold drinking water,
warm drinking water
Sampling valve Sampling valve
Floor drain

Table of Contents

Related product manuals