EasyManua.ls Logo

Case 445 - Wiring Harness - Electrical Schematic Frame 02 (A.30.A.88 - C.20.E.02); 435, 445, 445 Ct

Case 445
252 pages
Print Icon
To Next Page IconTo Next Page
To Next Page IconTo Next Page
To Previous Page IconTo Previous Page
To Previous Page IconTo Previous Page
Loading...
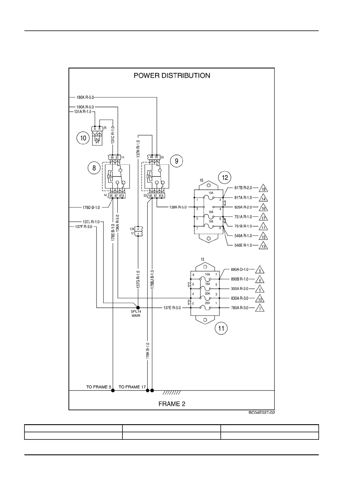
DISTRIBUTION SYSTEMS - ELECTRICA L POWE R SYSTEM
Wiring harness - Electrical schematic frame 02 (A.30.A.88 -
C.20.E.02)
435, 445, 445CT
bc04e027-02 1
(8) Main Power Relay (10) Diode(ReversePolarity) (12) Options Fuse Block
(9) Options Power Relay (11) Primary Fuse Block
1 04/05/2005
A.30.A / 56

Table of Contents

Related product manuals