EasyManua.ls Logo

Case 445 - Page 38

Case 445
252 pages
Print Icon
To Next Page IconTo Next Page
To Next Page IconTo Next Page
To Previous Page IconTo Previous Page
To Previous Page IconTo Previous Page
Loading...
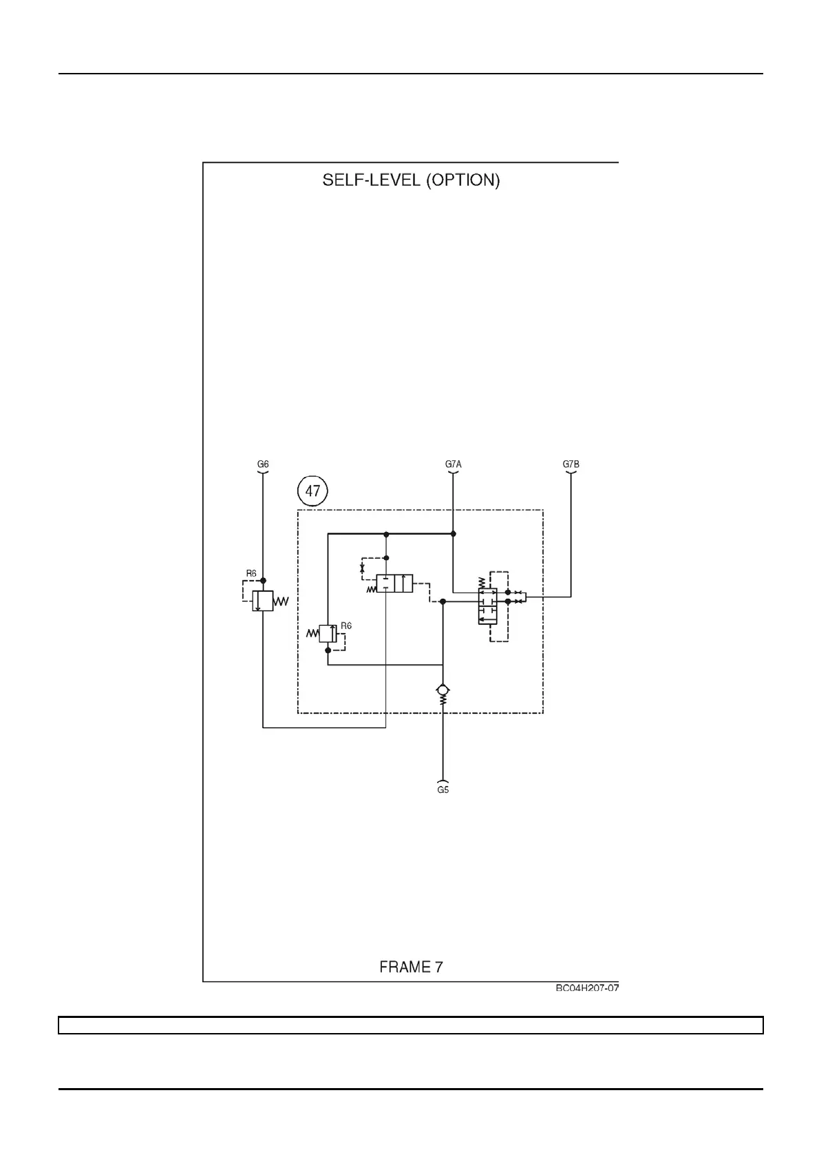
DISTRIBUTION SYSTEMS - PRIMARY HYDRAULIC POWER SYSTEM
PRIMARY HYDRAULIC POWER SYSTEM - Hydraulic schematic
frame 07 (A.10.A - C.20.H.07)
435, 445, 445CT
bc04h207-07 1
47. Self level valve
1 04/05/2005
A.10.A / 18

Table of Contents

Related product manuals