EasyManua.ls Logo

Cavli Wireless C16QS - Figure 16 GNSS Active Antenna Matching Circuit

Default Icon
74 pages
Print Icon
To Next Page IconTo Next Page
To Next Page IconTo Next Page
To Previous Page IconTo Previous Page
To Previous Page IconTo Previous Page
Loading...
39
www.cavliwireless.com
C16QS Hardware Manual
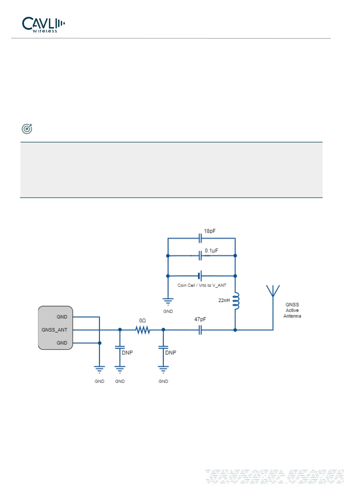
The pin 33 of C16QS is the GNSS antenna interface.
The C16QS has a dedicated antenna L1, it supports GPS, GLONASS, BEIDOU, QZSS, Galileo and NAVIC.
SBAS Ranging support available
In order to facilitate antenna debugging, a π-type matching circuit needs to be added to the motherboard and a
50-ohm impedance line is used.
NOTE
The GNSS antenna needs to maintain a certain distance from the main antenna.
The GNSS antenna has two antenna connection modes:
Passive antenna mode and Active antenna mode. An external power supply is required while using
an Active antenna, as the module cannot provide power to GNSS Active antenna.
Figure 16 GNSS active antenna matching circuit

Table of Contents

Related product manuals