EasyManua.ls Logo

CIGWELD 255 - Circuit Diagram

CIGWELD 255
36 pages
Print Icon
To Next Page IconTo Next Page
To Next Page IconTo Next Page
To Previous Page IconTo Previous Page
To Previous Page IconTo Previous Page
Loading...
TRANSMIG 225, 255 MIG Power Source, 255 2R MIG Wirefeeder
32 Sep 16, 2008
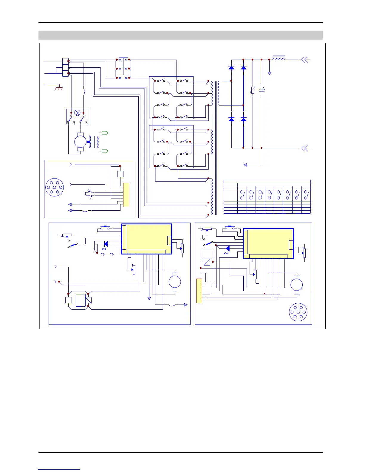
SECTION 17: Circuit Diagram
S2
T2
F2
34
12
1314
910
1112
56
(1) (2)
(3) (4)
(5) (6)
K1
N
A
EARTH
INDUCTOR IRON
POSITIVE
NEGATIVE
SWITCH 1 & 2 COARSE & FINE
TRAN1
SWITCH
POS
1
2
3
4
5
6
7
8
9
10
11
12
13
14
15
16
1
2
3
4
X
X
X
X
1D BRN
1 5B B LU
1 BRN
1 B B R N
1 6 O R N
1C BRN
5 PNK
8A BRN
8 BRN
6 WHT
47
49
51
48
50
FAN
RECT
0V
24V 1.2A
SW3
240V 50HZ
MOTOR
MC
K1
24V
BLUE
WHITE
TX
POS
NEG
POS
NEG
51B ORN
49B GRY
51B ORN
49B GRY
7 0 W H T
71 GRY
69 RED
6 3 W H T
61A PNK
64A BLU
6 4B B LU
1
2
3
4
5
6
7
J1
7977947
1
2
3
4
5
6
7
J2
7977948
M255 REMOTE
RECT
MC
K1
24V
TX
POS
N E G
Y1
Solenoid
Trigger
-
+
W ire Feeder Moto r
PCB
6 1B P N K
6 1A P N K
63 WHT
68 BLK
6 3A W H T
67 BLK
7 0 W H T
6 9 R E D
7 5 O R N
7 4 W H T
7 3 V I O
6 5 R E D
X2
1
3
2
X1
4
1
2
X3
7978050
6 6 B LK
6 4C B LU
5 2 B LK
4 9B G R Y
64B BLU
61A PNK
64A BLU
M225/M255 COMPACT
M255 FEEDER
7 1 G R Y
1A BRN
1H BRN
5
6
7
LED
71A GRY
72 VIO
567891011 4 3 2 1
RV1
1K
65 RED
66 BLK
77 BLU
76 VIO
RV2
100K
Trigger
-
+
W ire Feeder Moto r
PCB
68 BLK
67 BLK
BURNBACK
6 9 R E D
7 5 O R N
7 4 W H T
7 3 V I O
6 5 R E D
X2
1
3
2
X1
4
1
2
X3
7978050
6 6 B LK
5 1C O R N
4 9C G R Y
7 1 G R Y
5
6
7
LED
71A GRY
72 VIO
567891011 4 3 2 1
RV1
1K
65 RED
66 BLK
52 BLK
X
X
X
X
W I R ESP E ED
SPEED
7 8 V I O
7 9 R E D
7 9A R E D
Y1
Solenoid
6 3A W H T
6 3B W H T
7 8A V I O
2 1
5 4 3FROM BACK OF PLUG
7 6
1 2
3 4 5
FROM BACK
6 7
OF SOCKET
POWER SOURCE TRIGGER PINS 1& 2
BROWN
BLUE
GREEN/YELLOW
CB1
2A
1G BRN
1F BRN
1E BRN
9A BLK
9 BLK
10A RED
10 RED
S1
2A RED
2 RED
T1
14A BLK
14 BLK
15A BLU
15 BLU
F4
S4
M255 USES 4X 22,000UF
M225 USES 2X 100,000UF
CB2
5A
0V
24V 1.2A
61B PNK
0V
24V 1.2A
51B RED
CB2
5A
77 BLU
76 VIO
RV2
100K
BURNBACK
N
220V
240V
T1
TRANS M250
151678
S3
T3
F3
34
12
1314
910
1112
56
11A GRY
11 GRY
12A BRN
12 BRN
13A VIO
13 VIO151678
F1
15A BLU
15 BLU
14A BLK
14 BLK
X
X
X
X
X
X
X
X
RV3 100K
SW4
SPOT
80 BLU
81 WHT
82 VIO
RV3 100K
SW2
SPOT
80 BLU
8 1 W H T
82 VIO
COARSE
FINE

Related product manuals