EasyManua.ls Logo

Cisco 3200 - Page 153

Cisco 3200
282 pages
Print Icon
To Next Page IconTo Next Page
To Next Page IconTo Next Page
To Previous Page IconTo Previous Page
To Previous Page IconTo Previous Page
Loading...
8-17
Cisco TelePresence System 3200
OL-14521-01
Chapter 8 Assembling the Remaining Cisco TelePresence Elements
Parts List
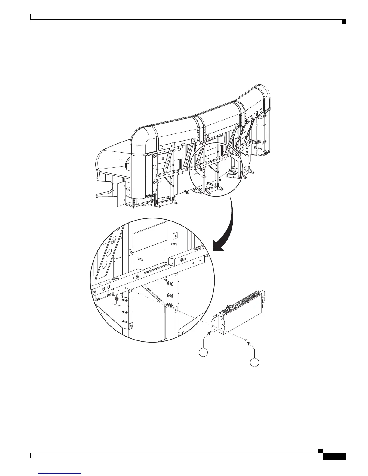
Step 14 Attach the auxiliary control unit to its bracket using 5 mm screws; then, attach the unit and bracket to
the rear of the display assembly.
Figure 8-14 Auxiliary Control Unit
1
35
204148

Table of Contents

Related product manuals