EasyManua.ls Logo

CleaverBrooks CB - Safety Valves

CleaverBrooks CB
146 pages
Print Icon
To Next Page IconTo Next Page
To Next Page IconTo Next Page
To Previous Page IconTo Previous Page
To Previous Page IconTo Previous Page
Loading...
750-96 (revised 2010)
Model CB Packaged Boiler Manual
7-11
7.13 — Safety Valves
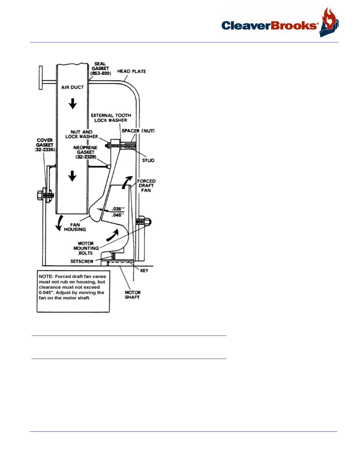
Check occasionally to see that the fan is securely tightened to the
motor shaft. Check the clearance between the fan vanes and
housing as outlined above. If the boiler is installed in a dusty loca-
tion, check the vanes for deposits of dust or dirt since these
buildups can cause a decrease in air capacity or lead to an unbal-
anced condition.
FIGURE 7-4. Forced Draft Fan Mounting and Secondary Air Flow
7.13 — Safety Valves
The safety valve is a very important safety device and deserves attention accordingly.
The purpose of the valve(s) is to prevent pressure buildup over the design pressure of the pressure vessel. The
size, rating, and number of valves on a boiler is determined by the ASME Boiler Code. The installation of a valve is
of primary importance to its service life. A valve must be mounted in a vertical position so that discharge piping
and Code required drains can be properly piped to prevent buildup of back pressure and accumulation of foreign
material around the valve seat area. Apply only a moderate amount of pipe compound to male threads and avoid

Table of Contents

Related product manuals