EasyManua.ls Logo

CleaverBrooks CB - LWCO Water Column Piping, 15# Level Master

CleaverBrooks CB
146 pages
Print Icon
To Next Page IconTo Next Page
To Next Page IconTo Next Page
To Previous Page IconTo Previous Page
To Previous Page IconTo Previous Page
Loading...
Ordering Parts and Parts Lists
8-10
750-96 (revised 2010)
Model CB Packaged Boiler Manual
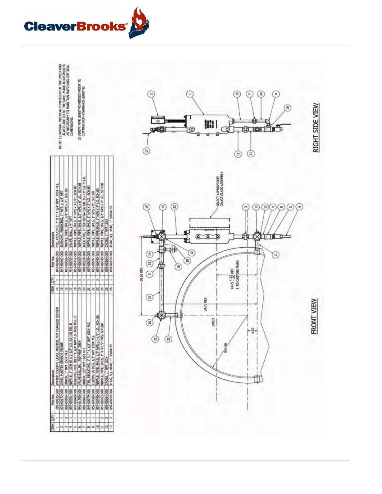
8.2.8 — LWCO Water Column Piping, 15# Level Master

Table of Contents

Related product manuals