EasyManua.ls Logo

Compumatic MINIDART v3 - Minidart CPU (I;O) Electronic Schematics

Default Icon
79 pages
Print Icon
To Next Page IconTo Next Page
To Next Page IconTo Next Page
To Previous Page IconTo Previous Page
To Previous Page IconTo Previous Page
Loading...
-68-
A
PPENDIX
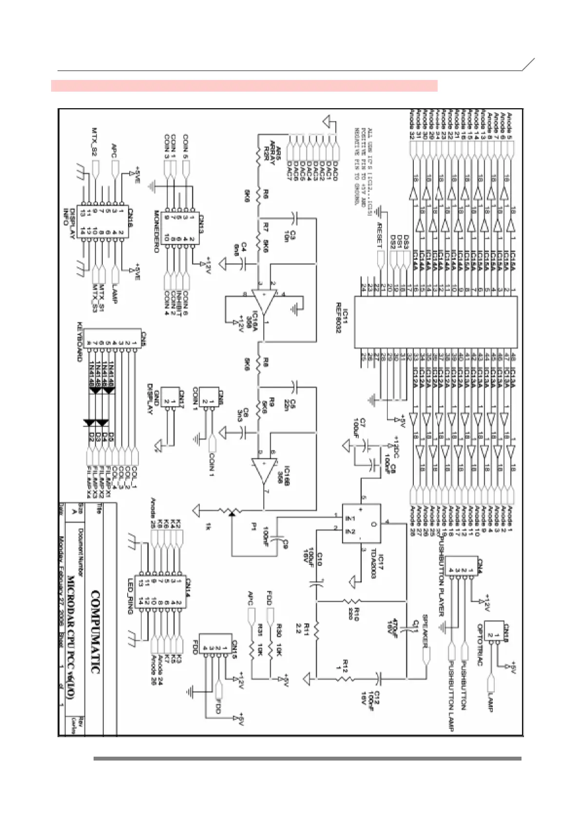
G- M
INIDART
CPU (I/O) ELECTRONIC SCHEMEMATICS
APPENDIX G- MINIDART CPU (I/O) ELECTRONIC SCHEMEMATICS

Table of Contents