EasyManua.ls Logo

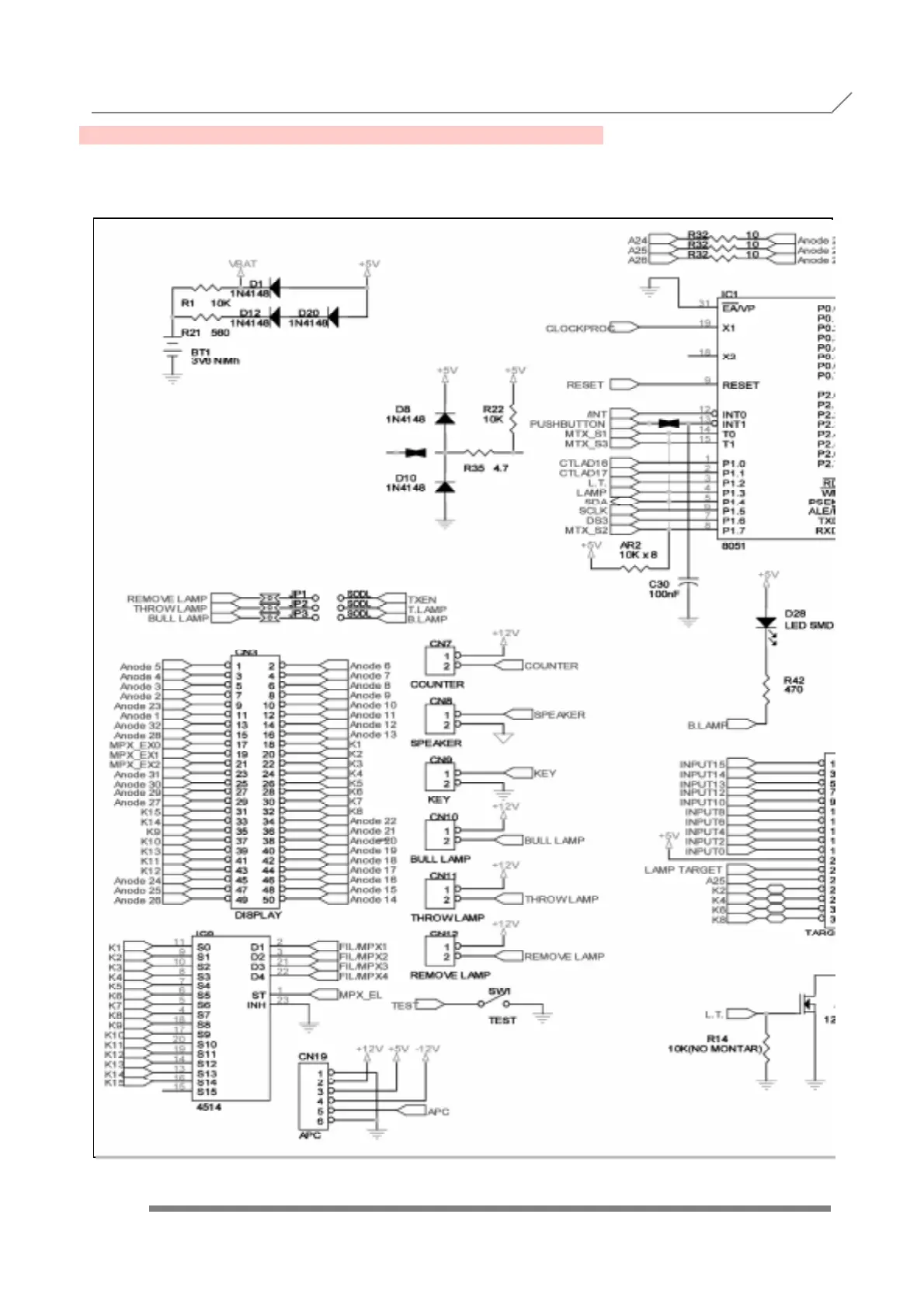
Compumatic MINIDART v3 - Minidart CPU Electronic Schematic

Default Icon
79 pages
Print Icon
To Next Page IconTo Next Page
To Next Page IconTo Next Page
To Previous Page IconTo Previous Page
To Previous Page IconTo Previous Page
Loading...
-64-
A
PPENDIX
E- M
INIDART
CPU ELECTRONIC SCHEMATIC
APPENDIX E- MINIDART CPU ELECTRONIC SCHEMATIC

Table of Contents