EasyManua.ls Logo

Control Concepts FUSION Series - Single Phase Two Zone with Pass-Through

Control Concepts FUSION Series
36 pages
Print Icon
To Next Page IconTo Next Page
To Next Page IconTo Next Page
To Previous Page IconTo Previous Page
To Previous Page IconTo Previous Page
Loading...
16
© Control Concepts Inc., 2013
www.ccipower.com 1-800-765-2799
Compact FUSION Installation Manual Revision 3.50.2
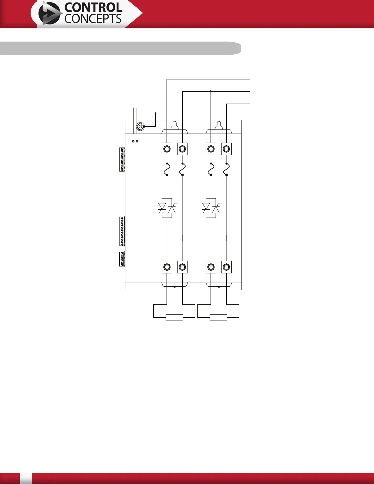
3.4.6 Single Phase Two Zone with Pass-Through
100- 24 0
Va c
AC /LAC /N
PE GND
Phase A
Phase B
Phase C
Load A2
LOAD
Load
B2
Load D2C2
LOAD
Line A1
Line B1 Line C1
Line D1
This figure shows a two single phase controllers.
Zone 1 is connected from Phase A to Phase B.
Zone 2 is connected from Phase B to Phase C.
The controller is not phase sensitive and any zone can be connected to any two phases. Any or all
zones can be connected from Phase to Neutral.
Note: During operation Zone 1 must have line power “ON” in order for other zones to operate.