EasyManua.ls Logo

Control Concepts FUSION Series - Three Phase - Two Leg, with Pass-Through

Control Concepts FUSION Series
36 pages
Print Icon
To Next Page IconTo Next Page
To Next Page IconTo Next Page
To Previous Page IconTo Previous Page
To Previous Page IconTo Previous Page
Loading...
18
© Control Concepts Inc., 2013
www.ccipower.com 1-800-765-2799
Compact FUSION Installation Manual Revision 3.50.2
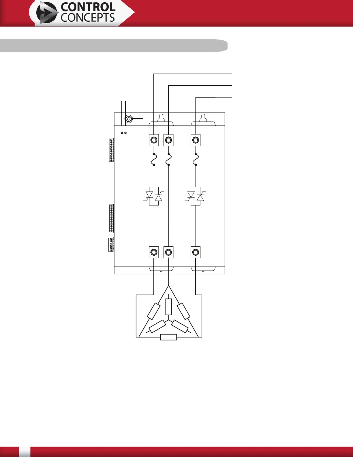
Delta or 3 Wire Wye Load
3.4.8 Three Phase - Two Leg, with Pass-Through
100- 24 0
Va c
AC /LAC /N
PE GND
Phase A
Phase B
Load A2
Load B2
Phase C
L
O
A
D
L
O
A
D
L
O
A
D
L
O
A
D
L
O
A
D
LO AD
Load C2
Line A1
Line B1
Line C1
This figure shows a three phase two leg controller connected to either a Delta or 3 Wire Wye load.