EasyManua.ls Logo

Control Concepts FUSION Series - Three Phase, Three Leg - Four Wire Wye

Control Concepts FUSION Series
36 pages
Print Icon
To Next Page IconTo Next Page
To Next Page IconTo Next Page
To Previous Page IconTo Previous Page
To Previous Page IconTo Previous Page
Loading...
21
© Control Concepts Inc., 2013
www.ccipower.com 1-800-765-2799
Compact FUSION Installation Manual Revision 3.50.2
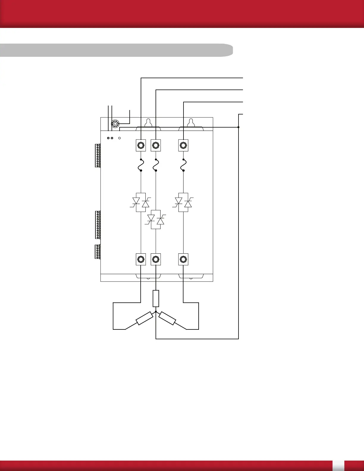
Due to internal wiring differences of the operation of a 4 Wire Wye load, an additional wire harness must be
ordered. If 4 Wire Wye is specied at the time of purchase the controller will ship from the factory wired for 4
Wire Wye operation.
The Fusion controllers normally display line and load voltages from Line to Line. When the controller is in 4
Wire Wye operation the line voltages read Line to Line while the load voltages read Line to Neutral.
There are instructions in Appendix B showing how to change from 4 Wire Wye to a standard conguration
(Delta or 3 Wire Wye). Both wire harnesses are necessary to perform this task.
For ordering details see Appendix B in the Operator Manual. The model number conguration data is 0002.
3.4.11 Three Phase, Three Leg - Four Wire Wye
100- 24 0R ef A
Va c
AC /LAC /N
PE GND
Phase A
Phase B
Lo ad A2
Phase C
Lo ad C2
Neutra l
L
O
A
D
L
O
A
D
L
O
A
D
Lo ad B2
Line A1
Line B1
Line C1