EasyManua.ls Logo

Control Concepts FUSION Series - Three Phase Three Leg - Inside Delta

Control Concepts FUSION Series
36 pages
Print Icon
To Next Page IconTo Next Page
To Next Page IconTo Next Page
To Previous Page IconTo Previous Page
To Previous Page IconTo Previous Page
Loading...
20
© Control Concepts Inc., 2013
www.ccipower.com 1-800-765-2799
Compact FUSION Installation Manual Revision 3.50.2
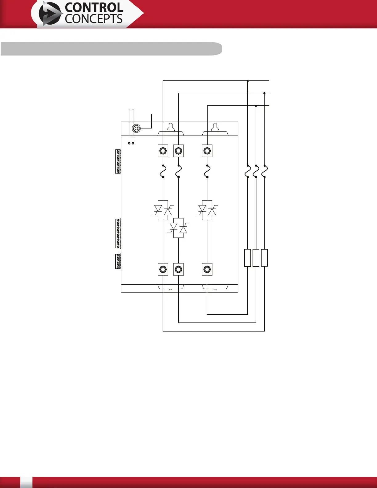
Due to internal wiring differences of the operation of a Inside Delta load, an additional wire harness must be
ordered. If Inside Delta is specied at the time of purchase the controller will ship from the factory wired for
Inside Delta operation.
When wiring this controller if must be wired as per the diagram.
Load A must return to Line B.
Load B must return to Line C.
Load C must return to Line A.
There are instructions in Appendix A showing how to change from Inside Delta to a standard conguration
(Delta or 3 Wire Wye). Both wire harnesses are necessary to perform this task.
For ordering details see Appendix B in the Operator Manual. The model number conguration data is 0001.
3.4.10 Three Phase Three Leg - Inside Delta
100- 24 0
Va c
AC /LAC /N
PE GND
Phase A
Phase B
Lo ad A2
Lo ad B2
Phase C
Lo ad C2
L
O
A
D
L
O
A
D
L
O
A
D
Line A1
Line B1
Line C1