EasyManua.ls Logo

Control Techniques Digitax ST - Page 111

Control Techniques Digitax ST
224 pages
Print Icon
To Next Page IconTo Next Page
To Next Page IconTo Next Page
To Previous Page IconTo Previous Page
To Previous Page IconTo Previous Page
Loading...
Parameter
structure
Keypad and
display
Parameter x.00
Parameter
description format
Advanced parameter
descriptions
Serial comms
protocol
Electronic
nameplate
Performance
Menu 8
Digitax ST Advanced User Guide 111
Issue Number: 1 www.controltechniques.com
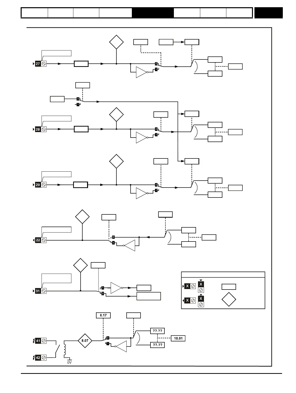
Figure 5-9 Menu 8 logic diagram
T29 digital input 6
??.??
Any
unprotected
bit
parameter
??.??
8.26
T29 digital
input 6
destination
x(-1)
8.16
T29 digital
input 6 invert
T29 digital
input 6 state
8.06
8.29
6.31
Jog forward
I.O polarity
select
8.27
Relay
source
Relay source
invert
Any
bit
parameter
x(-1)
Relay
state
Drive
Healthy
0.XX
0.XX
Key
Read-write
(RW)
parameter
Read-only (RO)
parameter
Input
terminals
Output
terminals
This logic diagram applies only when all
parameters are at their default settings
8.25
T28 digital
input 5
destination
??.??
Any
unprotected
bit
parameter
??.??
x(-1)
8.15
T28 digital
input 5 invert
T28 digital
input 5 state
8.05
8.29
1.41
Analog input 1 /
input 2 select
I.O polarity
select
T28 digital input 5
8.10
Drive enable
mode select
Drive enable
10.32
External trip
Safe Torque Off/
drive enable
Drive enable
indicator
8.09
x(-1)
T22 24V output
Any
unprotected
bit
parameter
??.??
8.28
T22 24V output source
x(-1)
8.18
T22 24V output
source invert
T22 24V
output
state
8.08
0.00
??.??
T27 digital input 4
??.??
Any
unprotected
bit
parameter
??.??
8.24
T27 digital input 4
destination
x(-1)
8.14
T27 digital
input 4 invert
T27 digital
input 4 state
8.04
8.29
I.O polarity
select
6.32
Run reverse
Stop/start
logic select
6.04
1.14
8.39
T28 & T29 digital
input auto-selection
disable*
Reference
selector*

Table of Contents

Related product manuals