EasyManua.ls Logo

Control Techniques Digitax ST - Page 168

Control Techniques Digitax ST
224 pages
Print Icon
To Next Page IconTo Next Page
To Next Page IconTo Next Page
To Previous Page IconTo Previous Page
To Previous Page IconTo Previous Page
Loading...
Menu 13
Parameter
structure
Keypad and
display
Parameter x.00
Parameter
description format
Advanced parameter
descriptions
Serial comms
protocol
Electronic
nameplate
Performance
168 Digitax ST Advanced User Guide
www.controltechniques.com Issue Number: 1
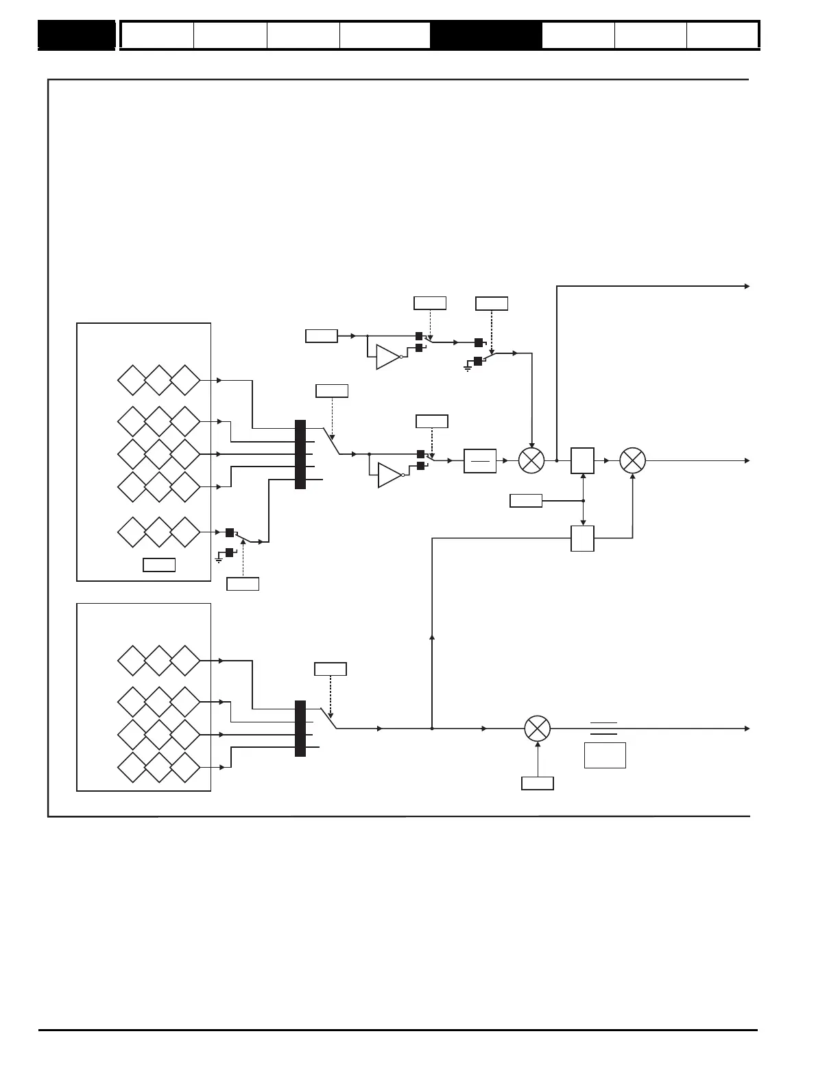
Figure 5-15 Menu 13 Logic diagram
3.28 3.29 3.30
Revolution
counter
Position
Position
fine
Drive
Encoder
15.04 15.05 15.06
Slot 1
16.04 16.05 16.06
Slot 2
17.04 17.05 17.06
Slot 3
13.20
13.21 13.22
Local
reference
1
0
13.23
Local
reference
disable
0
1
2
3
4
13.04
Position
controller
reference
source
x(-1)
0
1
13.06
Position
reference
invert
13.07
13.08
Ratio
+
+
0
1
x(-1)
0
1
13.19
Relative
jog reverse
13.18
Relative
jog enable
13.17
Relative
jog reference
ò
D
Position
+
_
ò
13.16
Position
error reset
0
1
2
3
13.05
D
Position
Position
controller
feedback
source
+
_
13.13
Orientation
position
reference
Limited to
/ rev
1
2
±
Position control reference position
3.28 3.29 3.30
Revolution
counter
Position
Position
fine
Drive
Encoder
15.04 15.05 15.06
Slot 1
16.04 16.05 16.06
Slot 2
17.04 17.05 17.06
Slot 3
Position control feedback position
13.24
Ignore local
reference turns

Table of Contents

Related product manuals